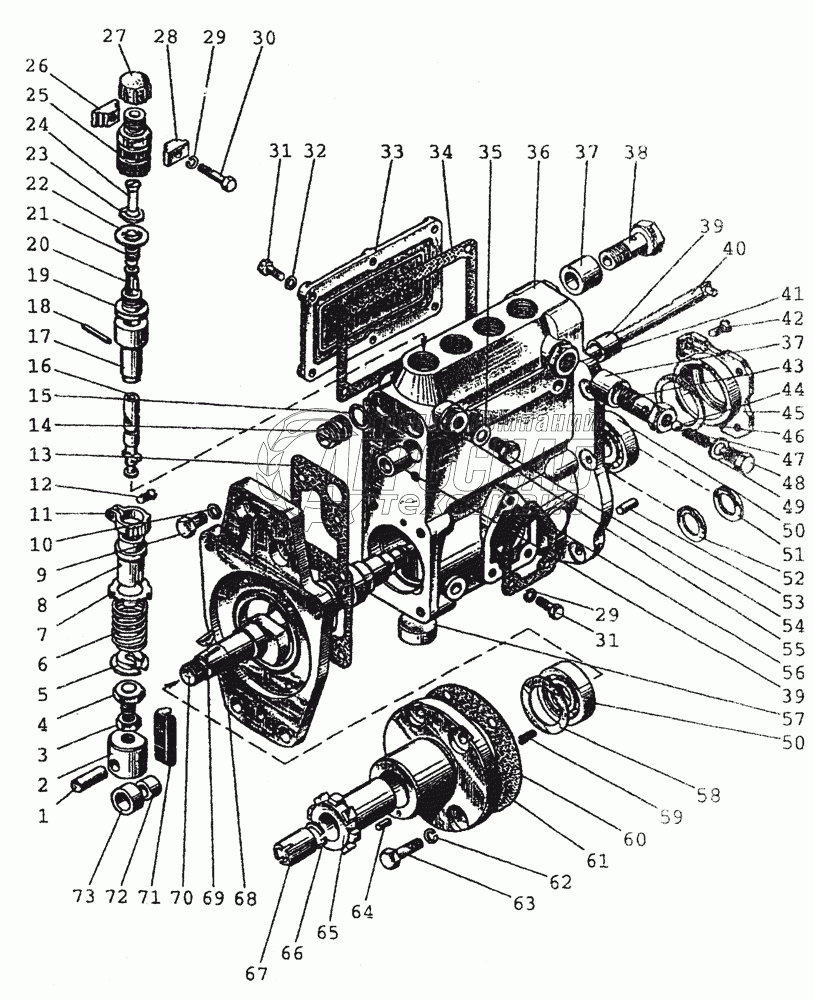
Каталог запасных частей к технике: МТЗ-80 (2002). 1111 Насос топливный 4УТНИ

1111 Насос топливный 4УТНИ

zoom-in zoom-out enlarge shrink circle-right circle-left file-text2 info cart
8
9
10
11
12
13
14
15
16
38
70
17
18
19
20
21
22
23
24
25
26
27
28
29
30
31
32
33
34
35
36
69
73
36
69
73
37
16
38
70
16
38
70
39
40
41
42
43
44
44
45
46
46
47
48
49
50
51
52
53
54
55
56
57
57
58
59
60
61
62
63
64
65
66
67
68
36
69
73
16
38
70
71
72
36
69
73
74
75
76
77
78
79
80
Изображение Артикул товара Наименование Наличие Единица измерения Количество Цена Корзина
1
4УТНИ-1111010 Насос топливный Под заказ -
2
4УТНИ-111105-20 Насос топливный с регулятором 4УТНМ-1110010-40, УТН-3-1106010-А4 Под заказ -
3
16-С13-1Б Клапан перепускной в сборе Под заказ -
4
4УТНИ-1111220 Клапан Под заказ -
5
4УТНМ-1111160-10 Фланец с заглушкой в сборе Под заказ -
6
4УТНМ-1111410-01 Плунжерная пара в сборе Под заказ шт 489 ₽489 ₽
7
4УТНМ-1111090-01 Толкатель в сборе Под заказ -
8
4УТНМ-1111266 Ось Под заказ -
9
4УТНМ-1111262-01 Корпус толкателя Под заказ -
10
УТН-5-1111267 Контргайка Под заказ -
11
4УТНМ-1111265 Болт Под заказ -
12
4УТНМ-1111472 Тарелка Под заказ -
13
УТН-5-1111138 Пружина Под заказ -
14
УТН-5-111147-А Тарелка Под заказ -
15
УТН-5-1111431-01 Втулка Под заказ -
16
ГОСТ7796-70 Болт М8-6gх20.88.35.019 Под заказ -
17
УТН-5-1110242-В Шайба Под заказ -
18
4УТНМ-1111432-01 Венец Под заказ -
19
УТН-5-1111433-А Винт Под заказ -
20
4УТНМ-1111483-01 Прокладка Под заказ -
21
УТН-5-1111023-А Пробка Под заказ -
22
УТН-5-1111519 Кольцо Под заказ -
23
4УТНМ-1111422 Плунжер Под заказ -
24
4УТНМ-1111425-01 Втулка Под заказ -
25
УТН-3-1111489 Штифт Под заказ -
26
4УТНИ-1111226 Седло Под заказ -
27
4УТНИ-1111224 Клапан Под заказ -
28
4УТНИ-1111225 Пружина Под заказ -
29
16-212-В1 Прокладка Под заказ -
30
4УТНИ-1111487-01 Прокладка Под заказ -
31
4УТНИ-1111486 Вытеснитель Под заказ -
32
4УТНИ-1111485 Штуцер Под заказ -
33
УТН-3-1111478-А2 Зажим Под заказ -
34
119-73-В Колпачок (деталь технологическая) Под заказ -
35
УТН-3-1111477-А2 Зажим Под заказ -
36
ОСТ37.001.115-75 Шайба 8Т Под заказ -
37
ГОСТ7798-70 Болт M6-6gx16.88.35.019 Под заказ -
38
ГОСТ7796-70 Болт М8-6gх20.88.35.019 Под заказ -
39
УТН-3-1111488-01 Шайба Под заказ -
40
УТН-5-1111475-А6 Крышка Под заказ -
41
УТН-5-1111476-А5 Прокладка Под заказ -
42
ОНМ-086-1 Прокладка Под заказ -
43
4УТНМ-1111025-30 Корпус насоса Под заказ -
44
119-85-1 Втулка (деталь технологическая) Под заказ -
45
А12.01.013-02 Болт Под заказ -
46
4УТНМ-1111029 Втулка Под заказ -
47
4УТНМ-1111350 Рейка Под заказ -
48
УТН-3-1111028-Г Футорка Под заказ -
49
ГОСТ17473-80 Винт ВМ6-6gх12.58.019 Под заказ -
50
16-216-1 Корпус Под заказ -
51
16-262 Шарик Под заказ -
52
УТН-5-1111451-И Стакан Под заказ -
53
4УТНМ-1111213 Прокладка регулировочная Под заказ -
54
16-057 Пружина Под заказ -
55
16-218 Пробка Под заказ -
56
16-219 Прокладка Под заказ -
57
7204К1 Подшипник Под заказ -
58
УТН-5-1111153 Шайба Под заказ -
59
УТН-5-1111154 Шайба Под заказ -
60
Д40-1110026 Штифт Под заказ -
61
ОНМ-019-2 Болт Под заказ -
62
УТН-3-1111022-Б Футорка Под заказ -
63
16-148-Б Прокладка Под заказ -
64
УТН-3-1111026-А2 Пробка Под заказ -
65
4УТНМ-1111244 Пластина опорная Под заказ -
66
4УТНМ-1111243-10 Пружина Под заказ -
67
4УТНМ-1111493-01 Прокладка Под заказ -
68
4УТНМ-1111162-10 Фланец Под заказ -
69
ОСТ37.001.115-75 Шайба 8Т Под заказ -
70
ГОСТ7796-70 Болт М8-6gх20.88.35.019 Под заказ -
71
УТН-5-1111163 Заглушка Под заказ -
72
4УТНМ-1111165 Втулка Под заказ -
73
ОСТ37.001.115-75 Шайба 8Т Под заказ -
74
4УТНМ-1111144 Гайка Под заказ -
75
4УТНМ-1111082-11 Плита Под заказ -
76
УТН-5-1111155 Шпонка Под заказ -
77
4УТНИ-1111152 Вал кулачковый Под заказ -
78
4УТНМ-1111426 Фиксатор Под заказ -
79
УТН-5-1111264 Втулка Под заказ -
80
УТН-5-1111263 Ролик Под заказ -
Содержащиеся в справочниках-каталогах запасные части и детали не предлагаются к продаже, а носят исключительно информационный характер


Наши преимущества