Каталог запасных частей к технике: МТЗ-80. Сиденье водителя

Сиденье водителя

zoom-in zoom-out enlarge shrink circle-right circle-left file-text2 info cart
11
12
13
14
15
15
16
17
18
19
19
20
21
22
23
30
24
25
26
27
28
29
29
29
29
23
30
23
30
31
32
33
34
35
36
36
36
36
36
36
37
37
37
37
38
38
39
39
39
40
41
42
43
43
44
44
45
46
47
48
49
50
51
51
52
52
53
54
55
56
57
58
59
60
61
62
63
64
65
66
67
68
69
70
71
72
73
74
75
76
77
78
79
80
81
82
83
84
84
85
86
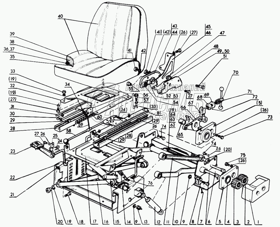
Изображение Артикул товара Наименование Наличие Единица измерения Количество Цена Корзина
1
70-6800015-01 Замок в сборе Под заказ -
2
70-6801315 Блок в сборе Под заказ -
3
70-6800010-01 Сиденье в сборе Под заказ -
4
70-6800000-А Сиденье в сборе Под заказ -
5
70-6801010 Подвеска в сборе Под заказ -
6
70-6804400 Механизм в сборе Под заказ -
7
70-6804010 Механизм в сборе Под заказ -
8
70-6804390 Механизм в сборе Под заказ -
9
70-6800020-01 Замок в сборе Под заказ -
10
Кольцо 010-015-30-2-3 ГОСТ 9833-73 Кольцо 010-015-30-2-3 ГОСТ 9833-73 Под заказ -
11
85-6801340 Корпус Под заказ -
12
Ролик 3х15,8Ш ГОСТ 6870-72 Ролик 3х15,8Ш ГОСТ 6870-72 Под заказ -
13
70-6801303-Б Соединитель Под заказ -
14
70-6801305 Втулка Под заказ -
15
85-6801330 Опора Под заказ -
16
70-6801304 Торсион Под заказ -
17
70-6801310 Корпус Под заказ -
18
70-6801372 Палец Под заказ -
19
70-6801307 Шайба Под заказ -
20
85-6801320 Стабилизатор Под заказ -
21
70-6801360 Рычаг Под заказ -
22
АС20-050.00.000 Амортизатор Под заказ -
23
70-6801006 Палец Под заказ -
24
150-20-212 Пружина Под заказ -
25
70-6804050-А Опора левая Под заказ -
26
70-6804030 Рама Под заказ -
27
70-6804090 Основание Под заказ -
28
Болт М10-6gх20.88.35.019 ГОСТ 7796-70 Болт М10-6gх20.88.35.019 ГОСТ 7796-70 Под заказ -
29
Шайба 10ОТ 65Г 06 ГОСТ 6402-70 Шайба 10ОТ 65Г 06 ГОСТ 6402-70 Под заказ -
30
70-6801006 Палец Под заказ -
31
70-6804050-А01 Опора правая Под заказ -
32
70-6801350-Б Остов Под заказ -
33
70-6706111 Накладка Под заказ -
34
70-6804013 Обойма Под заказ -
35
70-6804011 Держатель Под заказ -
36
Шайба 8Т 65Г 06 ГОСТ 6402-70 Шайба 8Т 65Г 06 ГОСТ 6402-70 Под заказ -
37
Болт М8-6gх16.88.35.019 ГОСТ 7796-70 Болт М8-6gх16.88.35.019 ГОСТ 7796-70 Под заказ -
38
70-6804420 Направляющая Под заказ -
39
70-6804391 Ролик Под заказ -
40
70-6804415 Направляющая Под заказ -
41
70-6804394 Пруток Под заказ -
42
70-6804014-А Кронштейн Под заказ -
43
Гайка М8.6Н.6.019 ГОСТ 5915-70 Гайка М8.6Н.6.019 ГОСТ 5915-70 Под заказ -
44
70-6804393 Пружина Под заказ -
45
70-6803060 Основание Под заказ -
46
Заклепка 4х10х12 ОСТ 37.001.159-75 Заклепка 4х10х12 ОСТ 37.001.159-75 Под заказ -
47
Шайба 5.01.019 ГОСТ 11371-78 Шайба 5.01.019 ГОСТ 11371-78 Под заказ -
48
70-6803011 Подушка Под заказ -
49
70-6803020 Чехол Под заказ -
50
70-6803010 Подушка в сборе Под заказ -
51
Гайка М12.6Н.019 ГОСТ 5915-70 Гайка М12.6Н.019 ГОСТ 5915-70 Под заказ -
52
Шайба 12ОТ 65Г 06 ГОСТ 6402-70 Шайба 12ОТ 65Г 06 ГОСТ 6402-70 Под заказ -
53
70-6800011 Корпус правый Под заказ -
54
70-6800011-01 Корпус левый Под заказ -
55
70-6800014 Кронштейн правый Под заказ -
56
70-6800021 Кронштейн левый Под заказ -
57
20.01.019 ГОСТ 11371-78 Шайба Под заказ -
58
70-6800013 Втулка Под заказ -
59
70-6800030-01 Кронштейн правый Под заказ -
60
70-6800040-01 Кронштейн левый Под заказ -
61
Болт М12-6gх45.88.35.019 ГОСТ 7796-70 Болт М12-6gх45.88.35.019 ГОСТ 7796-70 Под заказ -
62
70-6800012 Защелка левая Под заказ -
63
70-6800012-01 Защелка правая Под заказ -
64
А35-6105008 Пружина Под заказ -
65
70-6804017 Палец Под заказ -
66
70-6804392 Ось Под заказ -
67
Шайба 8.01.019 ГОСТ 11371-78 Шайба 8.01.019 ГОСТ 11371-78 Под заказ -
68
70-6804430 Стопор Под заказ -
69
70-6804305-01 Стяжка Под заказ -
70
70-6804432 Стопор Под заказ -
71
70-6804410 Направляющая Под заказ -
72
Болт М8-6gх40.88.35.019 ГОСТ 7795-70 Болт М8-6gх40.88.35.019 ГОСТ 7795-70 Под заказ -
73
ПР-41-01 Амортизатор Под заказ -
74
Болт М8-6gх55.88.35.019 ГОСТ 7798-70 Болт М8-6gх55.88.35.019 ГОСТ 7798-70 Под заказ -
75
70-6801008 Гайка Под заказ -
76
70-6801301 Крышка Под заказ -
77
70-6801302 Рычаг Под заказ -
78
70-6801011 Сухарь Под заказ -
79
70-6801013 Шайба Под заказ -
80
70-6801080 Винт Под заказ -
81
130-3520057-Б Пружина Под заказ -
82
Шарик 5,0-100 Шарик 5,0-100 Под заказ -
83
Болт М8-6gх25.88.35.019 ГОСТ 7796-70 Болт М8-6gх25.88.35.019 ГОСТ 7796-70 Под заказ -
84
Шайба 10Т 65Г.06 ГОСТ 6402-70 Шайба 10Т 65Г.06 ГОСТ 6402-70 Под заказ -
85
Болт М8-6gх35.88.35.019 ГОСТ 7798-70 Болт М8-6gх35.88.35.019 ГОСТ 7798-70 Под заказ -
86
70-6804012 Зацеп Под заказ -
Содержащиеся в справочниках-каталогах запасные части и детали не предлагаются к продаже, а носят исключительно информационный характер


Наши преимущества