Каталог запасных частей к технике: МТЗ-80. Раздаточная коробка (МТЗ-82Н)

Раздаточная коробка (МТЗ-82Н)

zoom-in zoom-out enlarge shrink circle-right circle-left file-text2 info cart
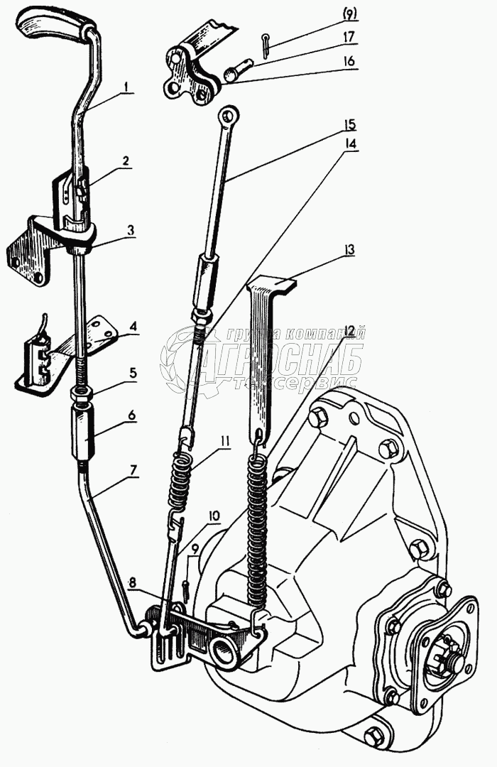
1
2
3
4
5
6
7
8
9
9
10
11
12
13
14
15
16
17
Изображение Артикул товара Наименование Наличие Единица измерения Количество Цена Корзина
1
82-1802230-Б Тяга Под заказ -
2
82-1802150-Б Кронштейн Под заказ -
3
82-1802159 Уплотнитель Под заказ -
4
82-1802195 Кронштейн Под заказ -
5
Гайка М8-6Н.6.019 ГОСТ 5915-70 Гайка М8-6Н.6.019 ГОСТ 5915-70 Под заказ -
6
Р50-4616033 Муфта Под заказ -
7
82-1802162-А Тяга Под заказ -
8
Шайба 01.019 ГОСТ 11371-78 Шайба 01.019 ГОСТ 11371-78 Под заказ -
9
Шплинт 3,2х18.019 ГОСТ 397-79 Шплинт 3,2х18.019 ГОСТ 397-79 Под заказ -
10
82-1802180 Тяга Под заказ -
11
82-1802144 Пружина Под заказ -
12
50-1605152 Пружина Под заказ -
13
82-1802106 Петля Под заказ -
14
82-1802141 Стержень Под заказ -
15
82-1802165 Тяга Под заказ -
16
70-3507120-01 Рычаг Под заказ -
17
Палец 12х32.019 ОСТ 37.001.163-75 Палец 12х32.019 ОСТ 37.001.163-75 Под заказ -
Содержащиеся в справочниках-каталогах запасные части и детали не предлагаются к продаже, а носят исключительно информационный характер


Наши преимущества