Каталог запасных частей к технике: МТЗ-80. Корпус заднего моста. Дифференциал

Корпус заднего моста. Дифференциал

zoom-in zoom-out enlarge shrink circle-right circle-left file-text2 info cart
13
14
14
15
16
17
18
19
20
21
22
22
22
22
23
23
23
24
25
26
27
28
29
30
31
32
32
33
34
34
35
35
36
37
38
39
39
40
41
42
43
43
44
45
46
46
47
47
48
49
50
51
52
53
54
55
56
57
58
59
59
60
60
61
62
63
64
65
66
67
68
69
70
71
72
73
74
75
76
77
78
Изображение Артикул товара Наименование Наличие Единица измерения Количество Цена Корзина
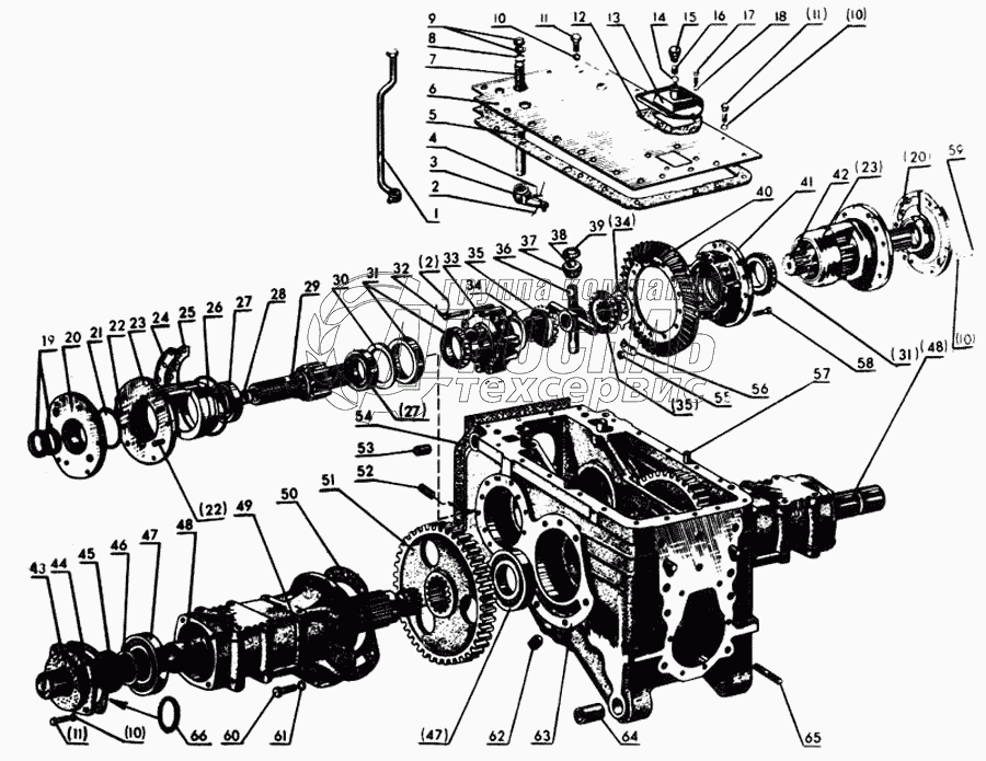
1
50-2403010 Дифференциал в сборе (при поставке в запасные части подшипник 7215К1 ГОСТ 333-71 и деталь 50-2403021-Б не устанавливаются) Под заказ -
2
50-2401040 Валик управления в сборе Под заказ -
3
70-2407060-01 Стакан правый в сборе Под заказ -
4
70-2407060 Стакан левый в сборе Под заказ -
5
50-2407020-А Рукав полуоси в сборе Под заказ -
6
50-2407050-А Крышка стакана с манжетой и кольцом в сборе Под заказ -
7
50-2401060-А Крышка с сапуном в сборе Под заказ -
8
50-2401015 Корпус заднего моста в сборе Под заказ -
9
50-2407030 Крышка рукава с манжетой и кольцом в сборе Под заказ -
10
70-2401010 Задний мост в сборе Под заказ -
11
50-2403014-А Комплект шестерен главной передачи (состоит из деталей 50-1701105-Б, 50-2403021-Б) Под заказ -
12
50-2403015 Корпус дифференциала с крышкой в сборе Под заказ -
13
70-2401050-А Рычаг переключения ВОМ Под заказ -
14
Проволока 1,6х200 ГОСТ 3282-74 Проволока 1,6х200 ГОСТ 3282-74 Под заказ -
15
50-2401020 Поводок Под заказ -
16
36-1702110 Винт установочный Под заказ -
17
50-2401025-А Прокладка Под заказ -
18
70-2401024 Крышка Под заказ -
19
50-2401019-Б Валик управления Под заказ -
20
Кольцо 020-025-30-1-4 ГОСТ 9833-73 Кольцо 020-025-30-1-4 ГОСТ 9833-73 Под заказ -
21
50-2401031 Шайба Под заказ -
22
45-9816-6068 Шайба 12 01 65 06 ОСТ 37.001.115-74 Под заказ -
23
Болт М12-6gх30.88.35.019 ГОСТ 7796-70 Болт М12-6gх30.88.35.019 ГОСТ 7796-70 Под заказ -
24
50-2401027-А Прокладка Под заказ -
25
50-2401070-А Крышка Под заказ -
26
50-4608062 Шайба сапуна Под заказ -
27
50-4608059 Пробка сапуна Под заказ -
28
50-4608063 Фильтр Под заказ -
29
Болт М8-6gх16.88.35.019 ГОСТ 7796-70 Болт М8-6gх16.88.35.019 ГОСТ 7796-70 Под заказ -
30
45-9816-6046 Шайба 8Т 656 ОСТ 37.001.115-74 Под заказ -
31
Манжета 2-50х70-1 ГОСТ 8752-70 Манжета 2-50х70-1 ГОСТ 8752-70 Под заказ -
32
50-2407059-А Крышка стакана Под заказ -
33
Кольцо 104-110-40-1-4 ГОСТ 9833-73 Кольцо 104-110-40-1-4 ГОСТ 9833-73 Под заказ -
34
50-1601352 Штифт Под заказ -
35
50Х-2407042 Стакан подшипников Под заказ -
36
50-2407056 Прокладка (0,5 мм) Под заказ -
37
50-2407057 Прокладка (0,2 мм) Под заказ -
38
Кольцо 160-165-36-1-4 ГОСТ 9833-73 Кольцо 160-165-36-1-4 ГОСТ 9833-73 Под заказ -
39
Подшипник 42212К1 ГОСТ 8328-75 Подшипник 42212К1 ГОСТ 8328-75 Под заказ -
40
Кольцо 035-040-30-1-4 ГОСТ 9833-73 Кольцо 035-040-30-1-4 ГОСТ 9833-73 Под заказ -
41
70-2407053 Шестерня ведущая (левая) В наличии шт 1 506 ₽1 506 ₽
42
50-2407043 Кольцо упорное Под заказ -
43
Подшипник 7215К1 ГОСТ 333-71 Подшипник 7215К1 ГОСТ 333-71 Под заказ -
44
50-2403034 Болт Под заказ -
45
50-2403019 Крышка корпуса (в запасные части поставляется только в комплекте 50-2403015) Под заказ -
46
50-2403049-Б Шайба опорная Под заказ -
47
50-2403048 Шестерня полуосевая В наличии шт 935 ₽935 ₽
48
50-2403062-А2 Крестовина Под заказ -
49
50-2403055-А Сателлит с втулкой Под заказ -
50
50-2403056 Втулка сателлита Под заказ -
51
50-2403025 Шайба опорная Под заказ -
52
50-2403021-Б Шестерня ведомая главной передачи (в запасные части поставляется только в комплекте 50-2403014-А) Под заказ -
53
50-2403018 Корпус дифференциала (в запасные части поставляется только в комплекте 50-2403015) Под заказ -
54
70-2407053-01 Шестерня ведущая (правая) В наличии шт 1 436 ₽1 436 ₽
55
50-2407028 Крышка В наличии шт 840 ₽840 ₽
56
50-2407029 Прокладка Под заказ шт 102 ₽102 ₽
57
Манжета 2-80х105-1 ГОСТ 8752-70 Манжета 2-80х105-1 ГОСТ 8752-70 Под заказ -
58
Кольцо 2В85 ГОСТ 13940-68 Кольцо 2В85 ГОСТ 13940-68 Под заказ -
59
Подшипник 217 ГОСТ 8338-75 Подшипник 217 ГОСТ 8338-75 Под заказ -
60
50-2407082-А Полуось Под заказ шт 11 765 ₽11 765 ₽
61
50-2407018 Рукав полуоси В наличии шт 17 940 ₽17 940 ₽
61
50-2407018 Рукав полуоси В наличии шт 12 029 ₽12 029 ₽
62
50-2407031-Б Прокладка Под заказ -
63
50-2407122 Шестерня ведомая В наличии шт 24 557 ₽24 557 ₽
64
50-4605027 Штифт Под заказ -
65
36-3502037-А Втулка Под заказ -
66
50-2401016-Б Прокладка Под заказ -
67
Гайка М12.6Н6.19 ГОСТ 5915-70 Гайка М12.6Н6.19 ГОСТ 5915-70 Под заказ -
68
50-2403023 Пластина стопорная Под заказ -
69
Д01-015 Штифт установочный Под заказ шт 42 ₽42 ₽
70
50-1702092 Болт призонный М12х42 Под заказ -
71
Болт М12-6gх35.88.35.019 Болт М12-6gх35.88.35.019 Под заказ -
72
Болт М16-6gх50.88.35.019 ГОСТ 7796-70 Болт М16-6gх50.88.35.019 ГОСТ 7796-70 Под заказ -
73
Шайба 16ОТ 65Г 06 ОСТ 37.001.115-74 Шайба 16ОТ 65Г 06 ОСТ 37.001.115-74 Под заказ -
74
Пробка магнитная 1,1/4" Пробка магнитная 1,1/4" Под заказ -
75
50-2401015-1 Корпус Под заказ -
76
50-2401032 Втулка Под заказ -
77
50-2401028 Шпилька Под заказ -
78
Кольцо 080-088-46-2-4 ГОСТ 9833-73 Кольцо 080-088-46-2-4 ГОСТ 9833-73 Под заказ -
Содержащиеся в справочниках-каталогах запасные части и детали не предлагаются к продаже, а носят исключительно информационный характер


Наши преимущества