Каталог запасных частей к технике: МТЗ-80. Электрооборудование (МТЗ-80/82)

Электрооборудование (МТЗ-80/82)

zoom-in zoom-out enlarge shrink circle-right circle-left file-text2 info cart
4
5
6
7
7
7
7
7
8
9
10
11
12
12
13
14
15
16
17
18
19
19
20
21
22
22
23
24
24
25
46
26
27
27
27
28
28
29
30
31
32
32
33
34
35
36
37
38
39
40
41
42
43
44
45
25
46
47
48
49
50
50
51
52
53
54
55
56
57
58
59
60
60
61
62
63
64
65
66
67
68
69
70
71
72
73
74
75
76
77
78
79
80
81
82
83
84
85
86
87
88
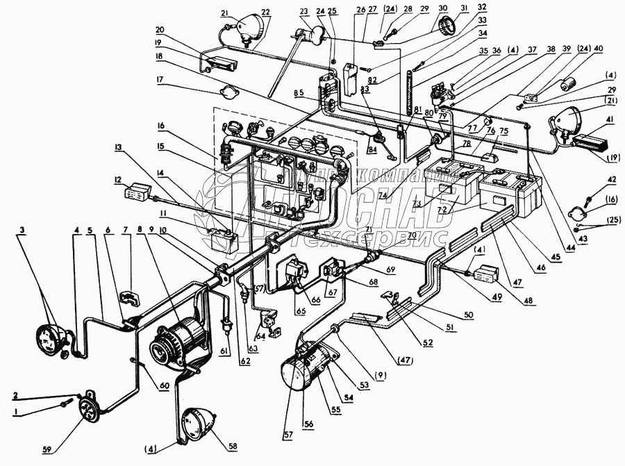
Изображение Артикул товара Наименование Наличие Единица измерения Количество Цена Корзина
1
70-3723028 Желоб Под заказ -
2
Болт М12-6gх30.88.35.019 ГОСТ 7796-70 Болт М12-6gх30.88.35.019 ГОСТ 7796-70 Под заказ -
3
50-3711038 Опора фары Под заказ -
4
Болт М8-6gх25.88.35.019 ГОСТ 7796-70 Болт М8-6gх25.88.35.019 ГОСТ 7796-70 Под заказ -
5
Шайба 8Т 65Г 06 ГОСТ 4602-70 Шайба 8Т 65Г 06 ГОСТ 4602-70 Под заказ -
6
ФГ305.12 Фара передняя правая Под заказ -
7
70-3723042-01 Втулка Под заказ -
8
80-3724025-В Жгут Под заказ -
9
14.3723 Панель соединительная Под заказ -
10
70-3723036 Крышка панели Под заказ -
11
464.3701 Генератор Под заказ -
12
70-3723042-02 Втулка Под заказ -
13
70-3723041 Кронштейн Под заказ -
14
WN9078(5) Провод Под заказ -
15
ПФ204 Фонарь передний правый Под заказ -
16
80-3724130А Жгут Под заказ -
17
WN9018(4) Бачок Под заказ -
18
WN9067(5) Провод Под заказ -
19
70-3801020-01 Щиток с приборами Под заказ -
20
ФП310-Е Световозвращатель Под заказ -
21
70-3724101-Б Жгут Под заказ -
22
70-3716019 Прокладка Под заказ -
23
ФП209-Б Фонарь тракторный задний правый Под заказ -
24
30.3711 Фара задняя Под заказ -
25
70-3724120-А Жгут правый Под заказ -
26
Т241 Стеклоочиститель Под заказ -
27
46.3710 Выключатель Под заказ -
28
Гайка М6-6Н.6.019 ГОСТ 5927-70 Гайка М6-6Н.6.019 ГОСТ 5927-70 Под заказ -
29
70-3723034 Крышка панели Под заказ -
30
70-3724024-А Провод Под заказ -
31
Шайба 4 65Г 06 ОСТ 37.001.115-74 Шайба 4 65Г 06 ОСТ 37.001.115-74 Под заказ -
32
Винт М4-6gх18.58.019 ГОСТ 17473-72 Винт М4-6gх18.58.019 ГОСТ 17473-72 Под заказ -
33
70-3724022-Б Провод Под заказ -
34
ПК201 Плафон Под заказ -
35
Винт М6-6х20.58.019 ГОСТ 17473-72 Винт М6-6х20.58.019 ГОСТ 17473-72 Под заказ -
36
Болт М12-6gх25.88.35.019 ГОСТ 17796-70 Болт М12-6gх25.88.35.019 ГОСТ 17796-70 Под заказ -
37
Шайба 12Т 65Г 06 ГОСТ 6402-70 Шайба 12Т 65Г 06 ГОСТ 6402-70 Под заказ -
38
80-3724112 Перемычка массы Под заказ -
39
Винт М6-6gх16.59.019 ГОСТ 17796-70 Винт М6-6gх16.59.019 ГОСТ 17796-70 Под заказ -
40
ВК318-Б Выключатель массы Под заказ -
41
Гайка М6.6Н.6.019 ГОСТ 5915-70 Гайка М6.6Н.6.019 ГОСТ 5915-70 Под заказ -
42
70-3724023 Провод Под заказ -
43
70-3724019 Провод Под заказ -
44
ФП-209 Фонарь тракторный задний левый Под заказ шт 31 ₽31 ₽
45
Винт М6-6gх12.58.019 ГОСТ 17473-72 Винт М6-6gх12.58.019 ГОСТ 17473-72 Под заказ -
46
70-3724120-А Жгут правый Под заказ -
47
70-3724018-А Провод Под заказ -
48
70-3724041 Провод Под заказ -
49
70-3723025-01 Желоб Под заказ -
50
70-3723025-02 Желоб Под заказ -
51
ПФ204Б Фонарь передний левый Под заказ -
52
70-3723029 Желоб Под заказ -
53
70-3723025-03 Желоб Под заказ -
54
70-3723027 Скоба Под заказ -
55
70-3723033 Скоба Под заказ -
56
Шайба 12ОТ 65Г.06 ГОСТ 64022-70 Шайба 12ОТ 65Г.06 ГОСТ 64022-70 Под заказ -
57
Болт М12-6gх45.88.35.019 ГОСТ 7796-70 Болт М12-6gх45.88.35.019 ГОСТ 7796-70 Под заказ -
58
24.3708000 Стартер Под заказ -
59
4-60 Чехол Под заказ -
60
4-16 Чехол Под заказ -
61
ФГ305.15 Фара передняя левая Под заказ -
62
С311-Б Сигнал звуковой Под заказ шт 243 ₽243 ₽
63
1М80-П10 Манжета Под заказ -
64
ЭФП-8101500 Электрофакельный подогреватель Под заказ -
65
70-3724070 Жгут Под заказ -
66
ТМ-100В Датчик температуры воды В наличии шт 370 ₽370 ₽
67
ВК-854Б Выключатель "стоп" Под заказ шт 80 ₽80 ₽
68
РБ1 Реле блокировки Под заказ -
69
70-3723035 Наконечник Под заказ -
70
РС-502 Реле стартера Под заказ шт 49 ₽49 ₽
71
70-3724040-А Жгут Под заказ -
72
70-3724015 Жгут Под заказ -
73
ВК-403 Выключатель Под заказ -
74
50Л-5323022 Чехол Под заказ -
75
3СТ-215ЭР Аккумулятор Под заказ -
76
70-3724042 Провод Под заказ -
77
70-3723025 Желоб Под заказ -
78
ФП-200 Фонарь освещения номерного знака Под заказ -
79
70-3724028 Провод Под заказ -
80
47-К Штепсельная розетка Под заказ -
81
50-3724075-Б1 Провод Под заказ -
82
Винт М5-6gх35.58.019 ГОСТ 17475-72 Винт М5-6gх35.58.019 ГОСТ 17475-72 Под заказ -
83
Р7-2 Штепсельная розетка Под заказ -
84
70-3724110 Жгут Под заказ -
85
70-3724026 Зам Провод Под заказ -
86
ДУМП Датчик указателя топлива Под заказ -
87
70-3724132 Провод Под заказ -
88
15.3723 Панель соединительная Под заказ -
Содержащиеся в справочниках-каталогах запасные части и детали не предлагаются к продаже, а носят исключительно информационный характер


Наши преимущества