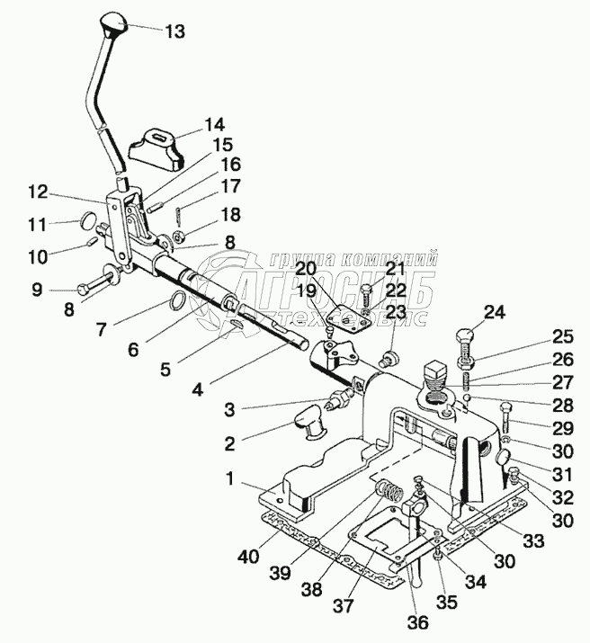
Каталог запасных частей к технике: МТЗ-570. Механизм правого однорычажного управления КП

Механизм правого однорычажного управления КП

zoom-in zoom-out enlarge shrink circle-right circle-left file-text2 info cart
1
2
3
4
5
6
7
8
9
10
11
12
12
13
14
15
16
17
18
19
20
21
22
23
24
25
26
27
28
29
30
31
32
33
34
35
35
35
36
37
38
39
40
41
42
43
44
45
46
Изображение Артикул товара Наименование Наличие Единица измерения Количество Цена Корзина
1
70-1703010-А1-01 Крышка КП Под заказ -
2
70-1703010-А1 Крышка Под заказ -
3
70-1703025-Б Крышка Под заказ -
4
70-1703010-А1-02 Крышка КП Под заказ -
5
70-1703010-А1-03 Крышка КП Под заказ -
6
50Л-3724050 Чехол Под заказ -
7
ВК12-51 Выключатель ТУ РБ37334210.015-97 Под заказ -
8
70-1703201-Б-01 Вал Под заказ -
9
СШ-611 Шпонка Под заказ -
10
70-1703210-Б Опора Под заказ -
11
030-034-25-1-4 Кольцо Под заказ -
12
С12.01.019 Шайба Под заказ -
13
50-2403034-01 Болт Под заказ -
14
ШЦК8x20 Штифт Под заказ -
15
35-10кл.Ц9.xр Заглушка Под заказ -
16
70-1703220-А Рычаг Под заказ -
17
70-1702125 Рукоятка Под заказ -
18
70-1703203-А Чехол Под заказ -
19
70-1703202-А Поводок Под заказ -
20
ШЦК8x25 Штифт Под заказ -
21
3,2x25.019 Шплинт Под заказ -
22
М12-6Н.04.019 Гайка Под заказ -
23
70-1703205 Стопор Под заказ -
24
80-3503048 Кронштейн Под заказ -
25
952-1802030 Кронштейн Под заказ -
26
М12-6дx20.88.35.019 Болт Под заказ -
27
12ОТ Шайба ОСТ 37.001.115-75 Под заказ -
28
70-1702053 Пробка Под заказ -
29
70-1703204 Болт Под заказ -
30
М16-6Н.04.019 Гайка Под заказ -
31
50-1702148-А Пружина фиксатора Под заказ -
32
ПККГ11/4 Пробка Под заказ -
33
13,8-60 Шарик 13,8 мм Под заказ -
34
М10-6дx60.88.35.019 Болт Под заказ -
35
10ОТ Шайба ОСТ 37.001.115-75 Под заказ -
36
28-10кп.Ц9.xр Заглушка Под заказ -
37
М10-6дx35.88.35.019 Болт Под заказ -
38
М10-6дx30.88.35.019 Болт Под заказ -
39
70-1703011 Рычаг Под заказ -
40
М10-6gx18.88.35.019 Болт Под заказ -
41
50-1702107-А Пластина стопорная Под заказ -
42
70-1703084 Пластина Под заказ -
43
74-1702084 Пластина ограничительная Под заказ -
44
70-1703057 Пружина Под заказ -
45
70-1703058 Шайба Под заказ -
46
50-1702026 Прокладка Под заказ -
Содержащиеся в справочниках-каталогах запасные части и детали не предлагаются к продаже, а носят исключительно информационный характер


Наши преимущества