| № | Изображение | Артикул товара | Наименование | Наличие | Единица измерения | Количество | Цена | Корзина | |
|---|---|---|---|---|---|---|---|---|---|
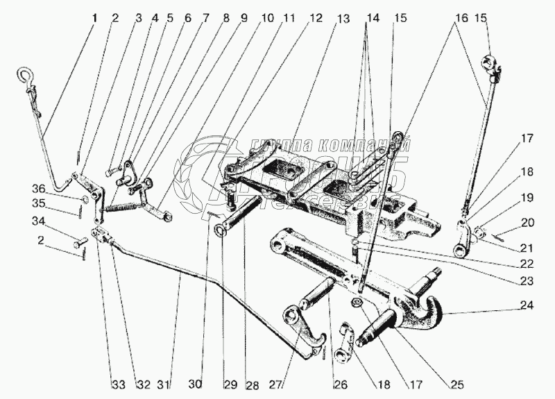
| 1 | 70-2807010-А-01 | Крюк прицепной | Под заказ | - | |||||
| 2 | 70-2807080-Б | Рукоятка | Под заказ | - | |||||
| 3 | 3.2x18.019 | Шплинт | Под заказ | - | |||||
| 4 | 70-2807079 | Рычаг | Под заказ | - | |||||
| 5 | M10-6gx20.88.35.019 | Болт | Под заказ | - | |||||
| 6 | 10 ОТ | Шайба | Под заказ | - | |||||
| 7 | 50-1605152 | Пружина | Под заказ | - | |||||
| 8 | 70-1602120-Б | Фланец оси | Под заказ | - | |||||
| 9 | M16-6gx50.88.35.019 | Болт | Под заказ | - | |||||
| 10 | 16 ОТ | Шайба | Под заказ | - | |||||
| 11 | 70-2807081 | Кронштейн | Под заказ | - | |||||
| 12 | 40-3104021 | Болт | Под заказ | шт | 95 ₽95 ₽ | ||||
| 12 | 40-3104021 | Болт | В наличии | шт | 200 ₽200 ₽ | ||||
| 13 | 70-2807044 | Шайба | Под заказ | - | |||||
| 14 | 80-2807014 | Кронштейн | Под заказ | - | |||||
| 15 | 70-2807039-01 | Пластина 0,5 мм | Под заказ | - | |||||
| 16 | 70-2807039-02 | Пластина 0,2 мм | Под заказ | - | |||||
| 17 | 70-2807039 | Пластина 1,0 мм | Под заказ | - | |||||
| 18 | 70-2807051 | Серьга | Под заказ | - | |||||
| 19 | 70-2807052-Б | Винт тяги | Под заказ | - | |||||
| 20 | 40-3405062 | Гайка | Под заказ | - | |||||
| 21 | 70-2807053-Б | Гайка тяги | Под заказ | - | |||||
| 22 | М20х1.5-6Н.04.019 | Гайка | Под заказ | - | |||||
| 23 | 4x36.019 | Шплинт | Под заказ | - | |||||
| 24 | С20.01.019 | Шайба | Под заказ | - | |||||
| 25 | 18 ОТ | Шайба | Под заказ | - | |||||
| 26 | 80-2807026 | Болт | Под заказ | - | |||||
| 27 | 80-2807070 | Крюк с осью в сборе | Под заказ | - | |||||
| 28 | 80-2807011 | Крюк | Под заказ | - | |||||
| 29 | 50-2807016 | Ось крюка | Под заказ | - | |||||
| 30 | 70-2807047 | Ось | Под заказ | - | |||||
| 31 | 80-2807077 | Захват | Под заказ | - | |||||
| 32 | 50-2807013-Б | Ось | Под заказ | - | |||||
| 33 | 36-3503018 | Шайба | Под заказ | - | |||||
| 34 | 6.3x36.019 | Шплинт | Под заказ | - | |||||
| 35 | 80-2807040 | Тяга | Под заказ | - | |||||
| 36 | 80-2807043 | Тяга | Под заказ | - | |||||
| 37 | М12х1.25-61-1.04.019 | Гайка | Под заказ | - | |||||
| 38 | 50-3502203 | Вилка | Под заказ | шт | 0 ₽ | ||||
| 39 | 12x32 | Палец | Под заказ | - | |||||
| 40 | 3.2x25.019 | Шплинт | Под заказ | - | |||||
| 41 | С 16.01.019 | Шайба | Под заказ | - |