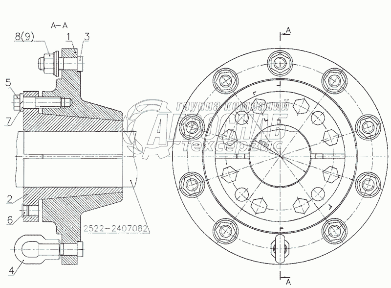
Каталог запасных частей к технике: МТЗ-2522. Ступица

Ступица

zoom-in zoom-out enlarge shrink circle-right circle-left file-text2 info cart
1
2
3
4
5
6
7
8
9
Изображение Артикул товара Наименование Наличие Единица измерения Количество Цена Корзина
1
2522-3104011 Корпус ступицы Под заказ -
2
2522-3104012 Вкладыш Под заказ -
3
2522-3104021 Болт Под заказ -
4
70-3104019-02 Гайка специальная Под заказ -
5
70-4605036-03 Болт Под заказ -
6
80-3405038-03 Пробка Под заказ -
7
20ОТ Шайба Под заказ -
8
М22х1,5 Гайка Под заказ -
9
М22х1.5-10 Гайка Под заказ -
Содержащиеся в справочниках-каталогах запасные части и детали не предлагаются к продаже, а носят исключительно информационный характер


Наши преимущества