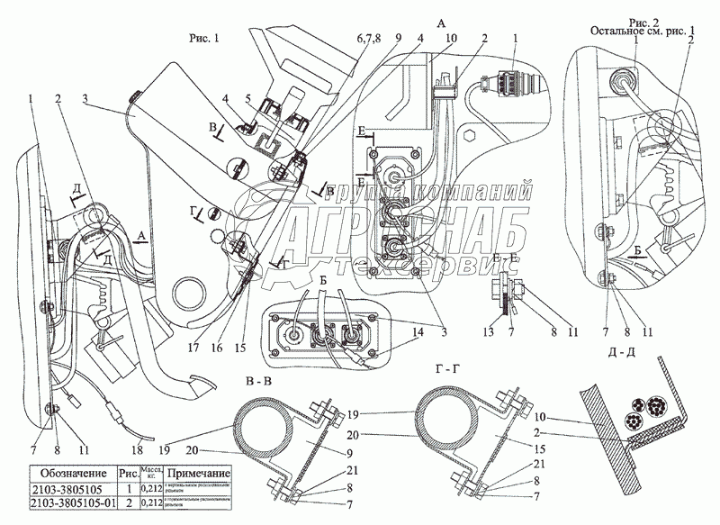
Каталог запасных частей к технике: МТЗ-2103. Установка щитка приборов

Установка щитка приборов

zoom-in zoom-out enlarge shrink circle-right circle-left file-text2 info cart
1
2
2
2
2
3
3
4
4
5
6
7
7
7
7
7
7
8
8
8
8
8
8
9
9
10
10
11
11
11
12
13
14
14
15
16
17
18
18
19
19
20
20
Изображение Артикул товара Наименование Наличие Единица измерения Количество Цена Корзина
1
2103-3805105 Установка щитка приборов Под заказ -
2
ПР-43-01 Уплотнитель Под заказ -
3
2102-3805110 Щиток приборов Под заказ -
4
А30.04.017 Колпачок Под заказ -
5
822-3709124 Чехол Под заказ -
6
M6-6gx16.88.35.019 Болт Под заказ -
7
С.6.01.08кп.019 Шайба С.6.01.08кп.019 Под заказ -
8
4598166045 Шайба 6Т Под заказ -
9
822-3805080-Б Кронштейн Под заказ -
10
822-1602030 Кронштейн Под заказ -
11
М6-6Н.6.019 Гайка Под заказ -
12
822-3805072 Кронштейн Под заказ -
13
1522-3724840 Жгут Под заказ -
14
822-3805095 Кронштейн Под заказ -
15
80-3805065 Винт Под заказ -
16
822-3805163 Кожух Под заказ -
17
822-3724820 Жгут Под заказ -
18
1522-3401080 Труба Под заказ -
19
822-3805050 Основание Под заказ -
20
M6-6gx25.88.35.019 Винт Под заказ -
Содержащиеся в справочниках-каталогах запасные части и детали не предлагаются к продаже, а носят исключительно информационный характер


Наши преимущества