Каталог запасных частей к технике: МТЗ-1523.4. Электрооборудование по кабине II

Электрооборудование по кабине II

zoom-in zoom-out enlarge shrink circle-right circle-left file-text2 info cart
1
2
3
55
4
4
4
5
6
7
8
8
9
10
10
10
11
11
11
12
12
12
12
13
14
15
15
16
16
17
17
18
19
20
21
21
22
23
24
25
38
25
38
26
26
27
28
29
29
29
30
31
32
33
33
34
35
36
37
25
38
39
40
41
42
43
44
45
46
47
48
49
50
51
52
53
54
3
55
56
57
58
59
60
61
62
63
64
65
66
67
68
69
70
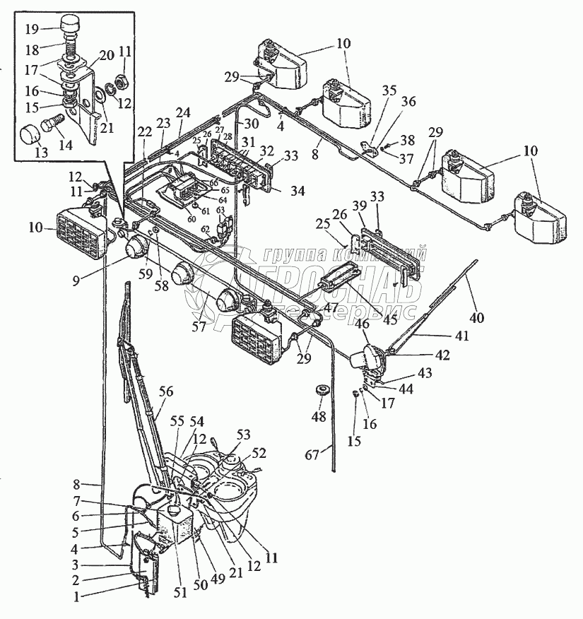
Изображение Артикул товара Наименование Наличие Единица измерения Количество Цена Корзина
1
923-3712016 Прокладка Под заказ -
2
923-3712017 Кронштейн Под заказ -
3
923-3724130-В Жгут Под заказ -
4
80-3723045 Манжета Под заказ -
5
923-5208002 Трубка Под заказ -
6
5208.15 Распределитель Под заказ -
7
122.5208000 Омыватель Под заказ -
8
923-5208002-01 Трубка Под заказ -
9
3738.10 Фонарь автопоезда Под заказ -
10
8724.304/31 Фара рабочая Под заказ -
11
М6 Гайка Под заказ -
12
ШП6 Шайба Под заказ -
13
А30.04.017 Колпачок Под заказ -
14
М6Х16 Болт Под заказ -
15
М8 Гайка Под заказ -
16
ШП8 Шайба Под заказ -
17
ШЧ6 Шайба Под заказ -
18
М8х20 Болт Под заказ -
19
А30.04.017-01 Колпачок Под заказ -
20
90-8402071-01 Кронштейн Под заказ -
21
ШЧ8 Шайба Под заказ -
22
923-3724233-А Жгут Под заказ -
23
923-3724353-Б Жгут Под заказ -
24
923-3724350-Б Жгут Под заказ -
25
4x10 Винт Под заказ -
26
923-3801344 Пластина Под заказ -
27
3710.40 Выключатель знака автопоезда Под заказ -
28
3709.35 Переключатель стеклоочиститех лоомывателя Под заказ -
29
923-3723024 Втулка Под заказ -
30
923-3724014-Б Жгут Под заказ -
31
3710.30 Выключатель фар рабочих Под заказ -
32
3709.15 Переключатель вентилятора Под заказ -
33
80-3801327 Заглушка Под заказ -
34
923-3801342 Щиток Под заказ -
35
5208.10 Жиклер Под заказ -
36
70-5208011-А Пластина Под заказ -
37
ШЧ5 Шайба Под заказ -
38
4x10 Винт Под заказ -
39
923-7901018 Щиток Под заказ -
40
20.5212 400 Щетка стеклоочистителя Под заказ -
41
20.5215 300 Рычаг стеклоочистителя Под заказ -
42
822-5205043 Втулка Под заказ -
43
80-3723045-01 Манжета Под заказ -
44
923-5205022 Кронштейн Под заказ -
45
3714.25 Плафон освещения кабины 185x46,5 Под заказ -
46
Т240-5205010 Привод с кожухом Под заказ -
47
923-3723042 Втулка Под заказ -
48
80-3723048 Втулка Под заказ -
49
ВМ4х10 Винт Под заказ -
50
ВМ6Х12 Винт Под заказ -
51
М4 Гайка Под заказ -
52
ШП4 Шайба Под заказ -
53
122.5208 304 Кронштейн Под заказ -
54
М6Х12 Болт Под заказ -
55
923-3724130-В Жгут Под заказ -
56
923-5208005 Кронштейн Под заказ -
57
5205.15 Стеклоочиститель пантографный Под заказ -
58
70-1602037 Втулка Под заказ -
59
5205.45 Щетка с рычагом 660/600 с форсункой Под заказ -
60
80-3738001 Кронштейн Под заказ -
61
М5 Гайка Под заказ -
62
ШП5 Шайба Под заказ -
63
822-3801341 Щиток Под заказ -
64
80-3805065 Винт Под заказ -
65
70-3723042-01 Втулка Под заказ -
66
3747.50 Реле на замыкание Под заказ -
67
006-010-25-1-4 Кольцо Под заказ -
68
923-3801343-Б Табличка Под заказ -
69
3722.25 Блок предохранителей Под заказ -
70
923-3724351 Жгут Под заказ -
Содержащиеся в справочниках-каталогах запасные части и детали не предлагаются к продаже, а носят исключительно информационный характер


Наши преимущества