Каталог запасных частей к технике: МТЗ-1522. Электрооборудование по дизелю

Электрооборудование по дизелю

zoom-in zoom-out enlarge shrink circle-right circle-left file-text2 info cart
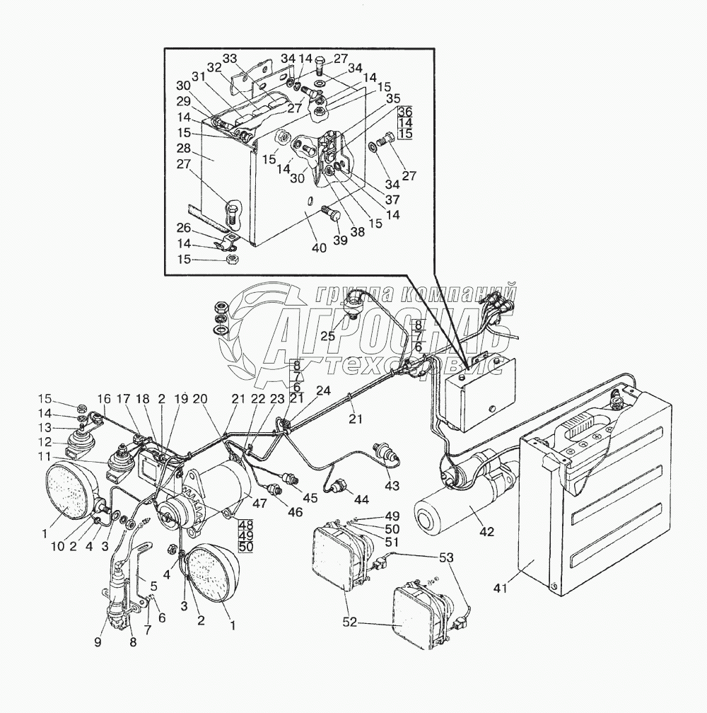
1
1
2
2
2
3
3
4
4
5
6
6
6
7
7
7
8
8
8
9
10
11
12
13
14
14
14
14
14
14
14
14
15
15
15
15
15
15
15
16
17
18
19
20
21
21
21
22
23
24
25
26
27
27
27
27
28
29
30
30
31
32
33
34
34
34
35
36
37
38
39
40
41
42
43
44
45
46
47
48
49
49
50
50
51
52
53
Изображение Артикул товара Наименование Наличие Единица измерения Количество Цена Корзина
1
312.3711 Фара Под заказ -
2
70-3723042-01 Втулка Под заказ -
3
ШЧ12 Шайба Под заказ -
4
1522-3724025 Жгут Под заказ -
5
85-3741015Б Кронштейн Под заказ -
6
М8 Гайка Под заказ -
7
ШП8 Шайба Под заказ -
8
М8х20 Болт Под заказ -
9
1701.3741 Приспособления для впрыска легковоспламеняющейся жидкости Под заказ -
10
50-371103В Опора фары Под заказ -
11
С308 Сигнал Под заказ -
12
С309 Сигнал Под заказ -
13
1522-3721011 Пластина Под заказ -
14
ШП6 Шайба Под заказ -
15
М6 Гайка Под заказ -
16
1522-3724360Б Жгут Под заказ -
17
80-3724345 Жгут Под заказ -
18
80-3701012 Кронштейн Под заказ -
19
УВР-2 Устройство выпрямительно-регулирующее Под заказ -
20
М2-14.13.238 Чехол Под заказ -
21
80-3723045 Манжета Под заказ -
22
54.24.445Б Наконечник Под заказ -
23
70-1115012-03 Хомутик Под заказ -
24
70-6702111 Угольник Под заказ -
25
ДСФ-65 Датчик засоренности воздуха В наличии шт 251 ₽251 ₽
26
80-3723038 Скоба Под заказ -
27
М6Х14 Болт Под заказ -
28
1522-3747010 Коробка Под заказ -
29
732.3747 Реле стартера Под заказ -
30
ВМ6Х10 Винт Под заказ -
31
БУС Блок управления стартером Под заказ -
32
Реле Реле Под заказ -
33
90.3747 Реле Под заказ -
34
ШЧ6 Шайба Под заказ -
35
П14.3723 Панель Под заказ -
36
ВМ6х20 Винт Под заказ -
37
1522-3747011 Панель Под заказ -
38
ноя.22 Блок предохранителей Под заказ -
39
80-3805065 Винт Под заказ -
40
1522-3747013 Крышка Под заказ -
41
Установка батарей аккумуляторных Установка батарей аккумуляторных Под заказ -
42
А25.3223 Стартер Под заказ -
43
ДД6Е Датчик Под заказ -
44
ДЦМ-03 Датчик Под заказ -
45
ДАТЖ Датчик аварийной температуры Под заказ -
46
ДУТЖ-02 Датчик указателя температуры Под заказ -
47
96.3701-2 Генератор Под заказ -
48
ВМ5х10 Винт Под заказ -
49
М5 Гайка Под заказ -
50
ШП5 Шайба Под заказ -
51
ШЧ5 Шайба Под заказ -
52
8706.26-05 Фара Под заказ -
53
923-3724025 Жгут Под заказ -
Содержащиеся в справочниках-каталогах запасные части и детали не предлагаются к продаже, а носят исключительно информационный характер


Наши преимущества