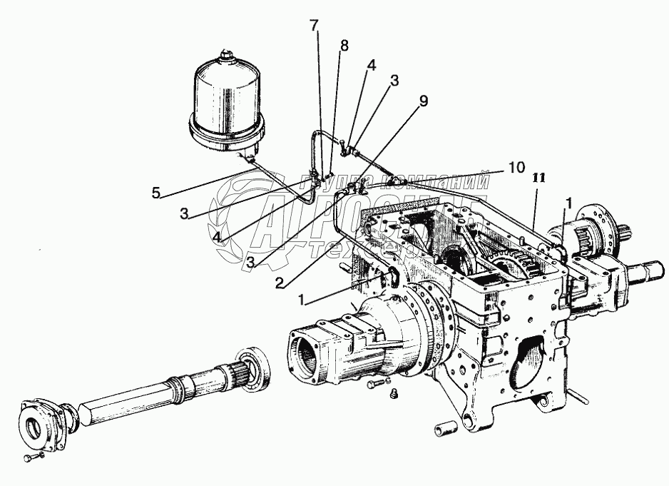
Каталог запасных частей к технике: МТЗ-1221.5. Конечная передача (смазка)

Конечная передача (смазка)

zoom-in zoom-out enlarge shrink circle-right circle-left file-text2 info cart
1
1
2
3
3
3
4
4
5
6
7
8
9
10
Изображение Артикул товара Наименование Наличие Единица измерения Количество Цена Корзина
1
86-1802088 Угольник Под заказ -
2
1522-2407330 Маслопровод Под заказ -
3
1522-2407317 Трубка Под заказ -
4
70-4802046 Хомут Под заказ -
5
1522-2407310 Маслопровод Под заказ -
6
Шайба10.ОТ Шайба Под заказ -
7
БолтМ10-6gx20.88.35.019 Болт Под заказ -
8
70-4802043 Кляммер Под заказ -
9
1221-2407288-02 Тройник Под заказ -
10
1522-2407320 Маслопровод Под заказ -
Содержащиеся в справочниках-каталогах запасные части и детали не предлагаются к продаже, а носят исключительно информационный характер


Наши преимущества