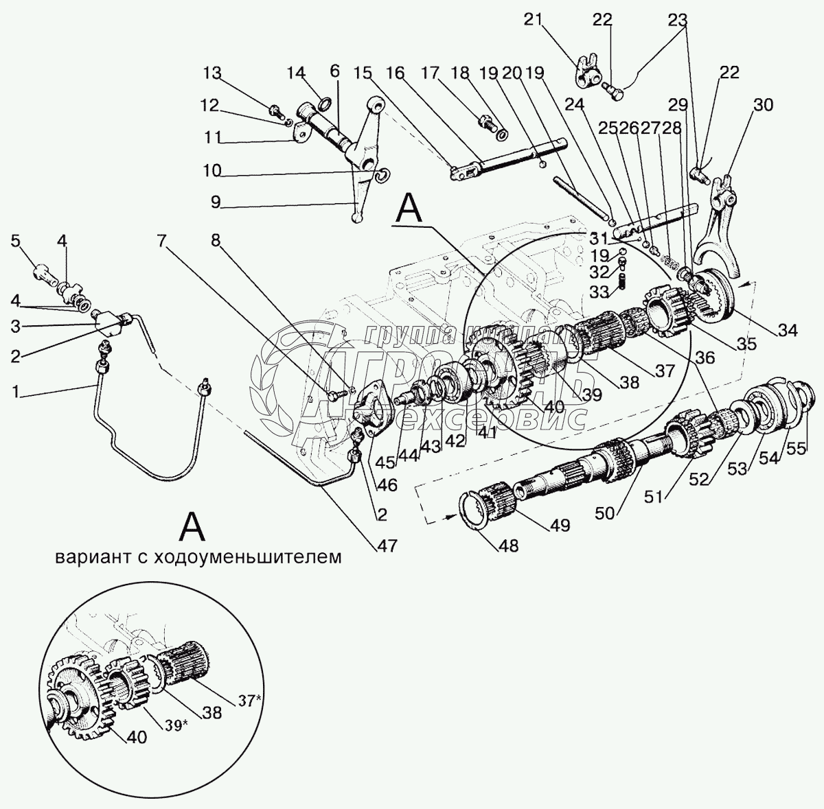
Каталог запасных частей к технике: МТЗ-1221.4. Вал пониженных передач

Вал пониженных передач

zoom-in zoom-out enlarge shrink circle-right circle-left file-text2 info cart
2
3
3
4
5
5
6
7
8
9
10
11
12
13
14
15
16
17
18
19
20
20
20
21
22
23
23
24
25
26
27
28
29
30
31
32
33
34
35
36
37
38
39
39
40
40
41
41
42
43
43
44
45
46
47
48
49
50
51
52
53
54
55
56
57
58
Изображение Артикул товара Наименование Наличие Единица измерения Количество Цена Корзина
1
75-1701320 Вал в сборе Под заказ -
2
80-1701430 Трубка Под заказ шт 0 ₽
3
80-1701549 Штуцер Под заказ -
4
80-1701057 Штуцер Под заказ -
5
Д18-055-А Шайба Под заказ -
6
240-1111103 Болт В наличии шт 30 ₽30 ₽
7
85-1702042 Ось Под заказ -
8
БолтМ8-6gх20.88.35.019 Болт Под заказ -
9
Шайба8Т Шайба 8Т Под заказ -
10
85-1702041 Коромысло Под заказ -
11
С25 Кольцо Под заказ -
12
85-1702043 Пластина Под заказ -
13
Шайба10.ОТ Шайба Под заказ -
14
БолтМ10-6gх20.88.35.019 Болт Под заказ -
15
026-030-25-2-2 Кольцо Под заказ -
16
85-1702049 Палец Под заказ -
17
85-1702039 Поводок Под заказ -
18
БолтМ12-6gх25.88.35.019 Болт Под заказ -
19
85-1702051 Шайба Под заказ -
20
Шарик10,0-60 Шарик 10,0-60 Под заказ -
21
85-1702046 Палец Под заказ -
22
85-1702045 Поводок Под заказ -
23
80-1702108 Болт Под заказ -
24
Проволока1,6-О-С Проволока 1,6-О-С Под заказ -
25
85-1702035 Поводок Под заказ -
26
Шарик12,7-60 Шарик 12,7-60 Под заказ -
27
85-1702305 Штифт Под заказ -
28
12-23-668-A Пружина Под заказ -
29
50-1702048 Прокладка Под заказ -
30
BK12-41 Выключатель Под заказ -
31
85-1702027 Вилка Под заказ -
32
85-1702301 Ось Под заказ -
33
80-1704039 Направляющая Под заказ шт 0 ₽
34
50-1702148-A Пружина Под заказ -
35
112-1701343 Муфта Под заказ шт 0 ₽
36
112-1701351 Шестерня Под заказ шт 0 ₽
36
112-1701351 Шестерня В наличии шт 1 956 ₽1 956 ₽
37
664910Е Подшипник Под заказ -
38
80-1701346 Втулка Под заказ -
39
80-1701346-01 Втулка Под заказ -
40
2С70 Кольцо Под заказ -
41
1222-1701344 Втулка Под заказ -
42
1025-1701344 Шестерня Под заказ -
43
80-1701340 Шестерня Под заказ -
44
80-1701306 Шайба Под заказ -
45
12507КМ Подшипник Под заказ -
46
86-1802052 Шайба Под заказ -
47
52-2308097 Гайка Под заказ шт 44 ₽44 ₽
47
52-2308097 Гайка Под заказ шт 51 ₽51 ₽
48
80-1701053 Дроссель Под заказ шт 140 ₽140 ₽
49
80-1701311-A Стакан Под заказ -
50
80-1701420 Трубка Под заказ -
51
54-31-472 Кольцо пружинное Под заказ -
52
75-1701352 Втулка Под заказ -
53
75-1701335 Вал Под заказ шт 0 ₽
54
112-1701361 Шестерня В наличии шт 971 ₽971 ₽
55
80-1701339 Втулка Под заказ -
56
692309КМ Подшипник Под заказ -
57
80-1701396 Кольцо Под заказ -
58
80-1701045 Гайка Под заказ -
Содержащиеся в справочниках-каталогах запасные части и детали не предлагаются к продаже, а носят исключительно информационный характер


Наши преимущества