Каталог запасных частей к технике: МТЗ-1221.4. Конечная передача (смазка)

Конечная передача (смазка)

zoom-in zoom-out enlarge shrink circle-right circle-left file-text2 info cart
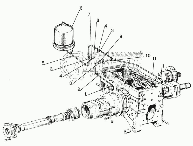
1
1
2
3
3
3
4
4
5
6
7
8
9
10
11
Изображение Артикул товара Наименование Наличие Единица измерения Количество Цена Корзина
1
86-1802088 Угольник Под заказ -
2
1522-2407330 Маслопровод Под заказ -
3
1522-2407317 Трубка Под заказ -
4
70-4802046 Хомут Под заказ -
5
1522-2407310 Маслопровод Под заказ -
6
80-1737110 Фильтр-распределитель в сборе В наличии шт 82 ₽82 ₽
7
ШП10 Шайба Под заказ -
8
М10х20 Болт Под заказ -
9
70-4802043 Кляммер Под заказ -
10
1221-2407288-02 Тройник Под заказ -
11
1522-2407320 Маслопровод Под заказ -
Содержащиеся в справочниках-каталогах запасные части и детали не предлагаются к продаже, а носят исключительно информационный характер


Наши преимущества