| № | Изображение | Артикул товара | Наименование | Наличие | Единица измерения | Количество | Цена | Корзина | |
|---|---|---|---|---|---|---|---|---|---|
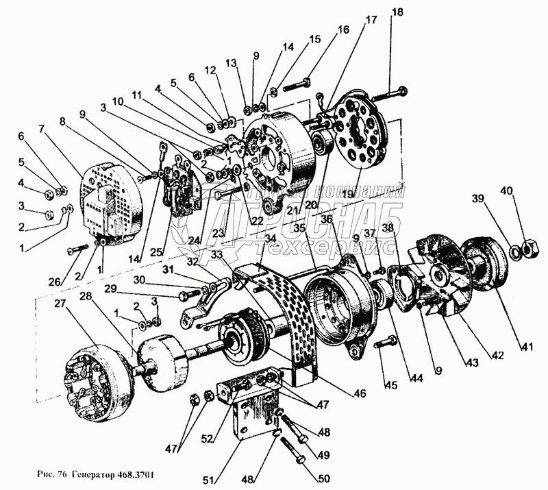
| 1 | 96-3701-01 | Генератор в сборе | Под заказ | - | |||||
| 2 | 002500-01 | Шайба 4 ОСТ 37.001.144-75 | Под заказ | - | |||||
| 3 | 4L | Шайба | Под заказ | - | |||||
| 4 | 2100 | Гайка М4-6 | Под заказ | - | |||||
| 5 | 002100-03 | Гайка М6-6Н ОСТ 37.001.124-75 | Под заказ | - | |||||
| 6 | 6L | Шайба | Под заказ | - | |||||
| 7 | 002500-05 | Шайба 6 01 16 ГОСТ 10450-78 | Под заказ | - | |||||
| 8 | 96.3701001-04 | Крышка регулирующего устройства | Под заказ | - | |||||
| 9 | 001300-02 | Винт VМ5х14 | Под заказ | - | |||||
| 10 | 5L | Шайба | Под заказ | - | |||||
| 11 | 96.3701018 | Втулка распорная | Под заказ | - | |||||
| 12 | 96.3701013 | Изолятор | Под заказ | - | |||||
| 13 | 46.3701017 | Шайба изоляционная | Под заказ | - | |||||
| 14 | 002100-02 | Гайка М6-7Н ОСТ 37.001.124-75 | Под заказ | - | |||||
| 15 | 002500-03 | Шайба 5 01 016 ГОСТ 11371-78 | Под заказ | - | |||||
| 16 | 95.3701011 | Изолятор фазный | Под заказ | - | |||||
| 17 | 96.3701021 | Болт М4х35 | Под заказ | - | |||||
| 18 | 96.3701020 | Панель выводов | Под заказ | - | |||||
| 19 | 46.3701015 | Болт М6х53 | Под заказ | - | |||||
| 20 | 95.3701600-01 | Блок выпрямительный | Под заказ | - | |||||
| 21 | 6-180502К1S9 | Шарикоподшипник | Под заказ | - | |||||
| 22 | 96.3701300 | Крышка задняя | Под заказ | - | |||||
| 23 | 96.3701017 | Шайба изоляционная | Под заказ | - | |||||
| 24 | 46.3701008 | Болт М4х27,5 | Под заказ | - | |||||
| 25 | 46.3701019 | Перемычка | Под заказ | - | |||||
| 26 | 96.3701500 | Регулирующее устройство | Под заказ | - | |||||
| 27 | 001300-23 | Винт VМ4х25 | Под заказ | - | |||||
| 28 | 96.3701100 | Статор | Под заказ | - | |||||
| 29 | 96.3701200 | Ротор | Под заказ | - | |||||
| 30 | М8х20 | Болт | Под заказ | - | |||||
| 31 | SНР8 | Шайба | Под заказ | - | |||||
| 32 | 50-1002073 | Шайба | Под заказ | - | |||||
| 33 | 260-3701063-А | Планка | Под заказ | - | |||||
| 34 | 46.3701005 | Втулка ротора | Под заказ | - | |||||
| 35 | 240-3701060-В | Щиток | Под заказ | - | |||||
| 36 | 46.3701080 | Болт стяжной | Под заказ | - | |||||
| 37 | 46.3701400-01 | Крышка передняя | Под заказ | - | |||||
| 38 | 001300-26 | Винт VМ5х9,5 | Под заказ | - | |||||
| 39 | 46.3701007 | Крышка подшипника | Под заказ | - | |||||
| 40 | 16L | Шайба | Под заказ | - | |||||
| 41 | 002100-07 | Гайка М16х1,5-6Н.5А.019 ГОСТ 5929-70 | Под заказ | - | |||||
| 42 | 464.3701051 | Шкив (одноручьевой) | Под заказ | - | |||||
| 43 | 46.3701003 | Вентилятор | Под заказ | - | |||||
| 44 | 001300-13 | Винт М5-6gх26 ОСТ 37001.127-81 | Под заказ | - | |||||
| 45 | 6-180603К4S9 | Шарикоподшипник | Под заказ | - | |||||
| 46 | М10х40 | Болт | Под заказ | - | |||||
| 47 | 46.3701060 | Катушка возбуждения | Под заказ | - | |||||
| 48 | М10 | Гайка | Под заказ | - | |||||
| 49 | SНР10 | Шайба | Под заказ | - | |||||
| 50 | 260-3701068 | Болт | Под заказ | - | |||||
| 51 | М10х30 | Болт | Под заказ | - | |||||
| 52 | 260-3701056 | Кронштейн | Под заказ | - | |||||
| 53 | М10х55 | Болт | Под заказ | - |