Каталог запасных частей к технике: МТЗ-100. Насос шестеренный

Насос шестеренный

zoom-in zoom-out enlarge shrink circle-right circle-left file-text2 info cart
5
6
7
8
8
9
10
11
12
13
14
15
Изображение Артикул товара Наименование Наличие Единица измерения Количество Цена Корзина
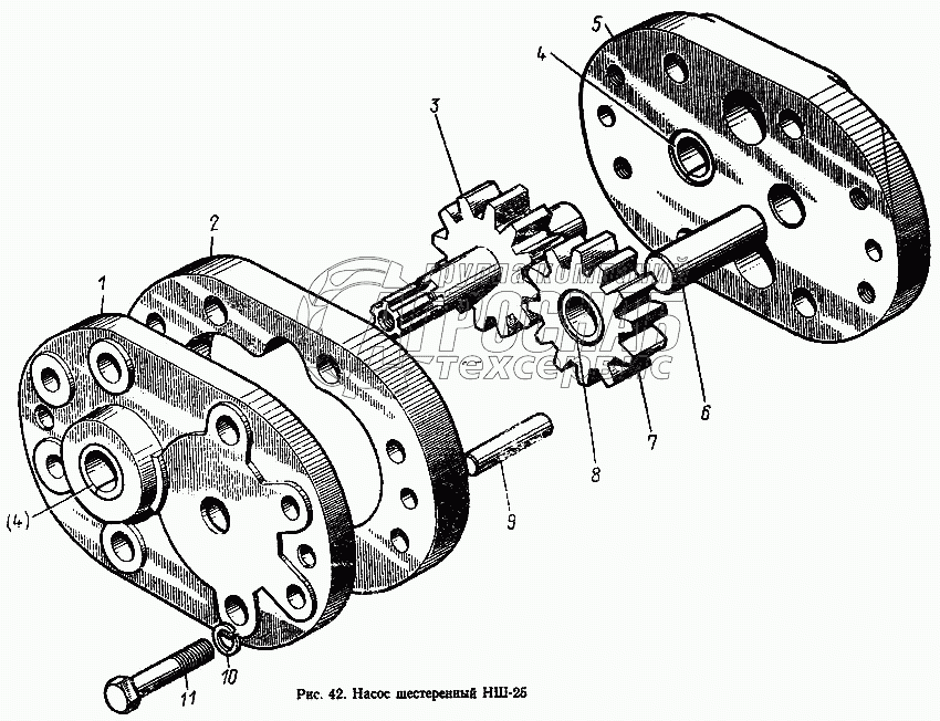
1
НМШ25-02-00 Крышка верхняя со втулкой свертной в сборе Под заказ -
2
НМШ25-01-00 Крышка нижняя со втулкой свертной и осью в сборе Под заказ -
3
НМШ25-00-00 Насос шестеренный Под заказ -
4
НМШ50-50-03 Шестерня ведомая со втулкой в сборе Под заказ -
5
НМШ25-01-01 Крышка нижняя Под заказ -
6
НМШ25-00-01 Корпус Под заказ -
7
НМШ50-00-02 Шестерня ведущая Под заказ -
8
НМШ50-02-02 Втулка свертная Под заказ -
9
НМШ25-02-01 Крышка верхняя Под заказ -
10
НМШ25-04-01 Ось Под заказ -
11
НМШ50-03-01 Шестерня ведомая Под заказ -
12
НМШ50-03 02 Втулка Под заказ -
13
10х40 Штифт Под заказ -
14
ШП10 Шайба Под заказ -
15
М10х45 Болт Под заказ -
Содержащиеся в справочниках-каталогах запасные части и детали не предлагаются к продаже, а носят исключительно информационный характер


Наши преимущества