| № | Изображение | Артикул товара | Наименование | Наличие | Единица измерения | Количество | Цена | Корзина | |
|---|---|---|---|---|---|---|---|---|---|
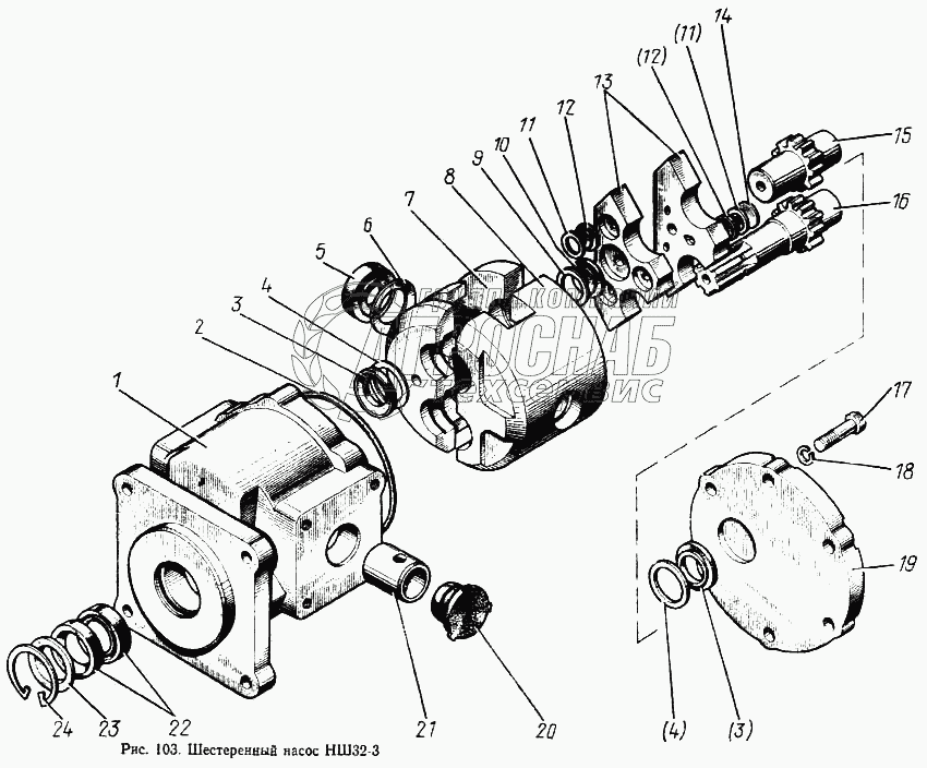
| 1 | НШ32-3-07 | Пробка | Под заказ | - | |||||
| 2 | НШ32-3 | Насос шестеренный в сборе | Под заказ | - | |||||
| 3 | НШ32-3-01 | Корпус | Под заказ | - | |||||
| 4 | 112-118-36-2-2 | Кольцо | В наличии | шт | 34 ₽34 ₽ | ||||
| 5 | 50К-13 | Манжета | Под заказ | - | |||||
| 6 | НШ50-2-14 | Кольцо предохранительное | Под заказ | - | |||||
| 7 | НШ32-3-08 | Манжета радиального уплотнения | Под заказ | - | |||||
| 8 | НШ32-3-06 | Пластина опорная | Под заказ | - | |||||
| 9 | НШ32-3-02 | Обойма поджимная | Под заказ | - | |||||
| 10 | НШ32-3-03 | Обойма подшипниковая | Под заказ | - | |||||
| 11 | НШ50-2-24 | Кольцо предохранительное | Под заказ | - | |||||
| 12 | НШ50-2-22 | Манжета торцевого уплотнения | Под заказ | - | |||||
| 13 | НШ50-2-25 | Кольцо предохранительное | Под заказ | - | |||||
| 14 | НШ50-2-23 | Манжета торцевого уплотнения | Под заказ | - | |||||
| 15 | НШ50-3-07 | Платик | Под заказ | - | |||||
| 16 | НШ50-2-16 | Пластина | Под заказ | - | |||||
| 17 | НШ32-3-05 | Шестерня ведомая | Под заказ | - | |||||
| 18 | НШ32-3-04 | Шестерня ведущая | Под заказ | - | |||||
| 19 | М10х30 | Болт | Под заказ | - | |||||
| 20 | ШП10 | Шайба | Под заказ | - | |||||
| 21 | НШ50-3-06-01 | Крышка | Под заказ | - | |||||
| 22 | НШ32-2-08 | Пробка (деталь технологическая) | Под заказ | - | |||||
| 23 | НШ32-3-09 | Втулка центрирующая | Под заказ | - | |||||
| 24 | 12х25х42 | Манжета | Под заказ | - | |||||
| 25 | НШ50-2-20 | Кольцо опорное | Под заказ | - | |||||
| 26 | НШ50-2-18 | Кольцо | Под заказ | - |