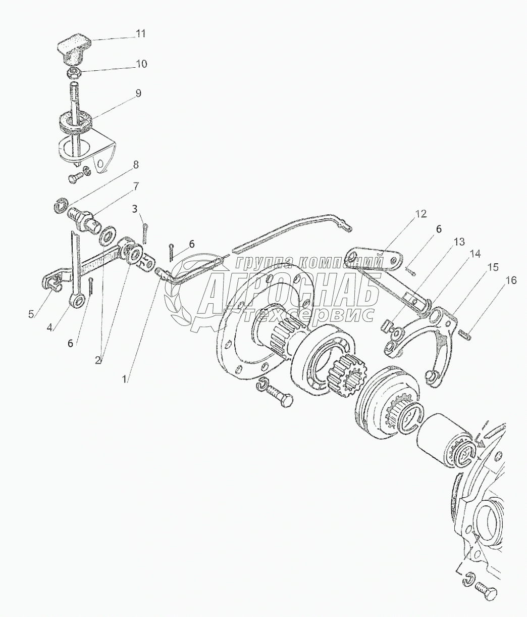
Каталог запасных частей к технике: МТЗ Беларус-422.1. Управление блокировкой дифференциала

Управление блокировкой дифференциала

zoom-in zoom-out enlarge shrink circle-right circle-left file-text2 info cart
2
3
4
5
5
5
6
7
8
9
10
11
12
13
14
15
Изображение Артикул товара Наименование Наличие Единица измерения Количество Цена Корзина
1
220-2411010 Управление блокировкой дифференциала Под заказ -
2
220-2411012 Тяга Под заказ -
3
А12.01.019 Шайба ГОСТ 6958-78 Под заказ -
4
4х22.019 Шплинт Под заказ -
5
3,2х18.019 Шплинт Под заказ -
6
220-3503023 Ось Под заказ -
7
12.ОТ Шайба Под заказ -
8
70-3723042-02 Втулка Под заказ -
9
М8-6Н.6.019 Гайка В наличии шт 1 ₽1 ₽
10
50-1310136-А Рукоятка Под заказ -
11
220-2409025 Рычаг Под заказ -
12
05-4216013 Сухарь Под заказ -
13
013-017-25-1-4 Кольцо Под заказ -
14
220-2409020 Вилка Под заказ -
15
ШЦК4x30 Штифт Под заказ -
Содержащиеся в справочниках-каталогах запасные части и детали не предлагаются к продаже, а носят исключительно информационный характер


Наши преимущества