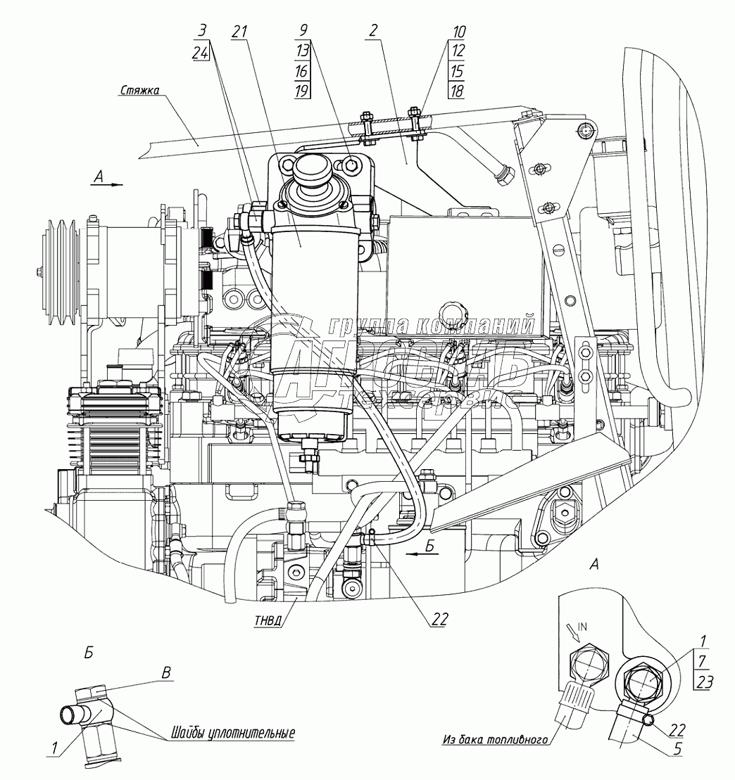
Каталог запасных частей к технике: МТЗ 923.5. Установка топливного фильтра

Установка топливного фильтра

zoom-in zoom-out enlarge shrink circle-right circle-left file-text2 info cart
2
2
3
4
5
6
7
8
9
10
11
12
13
14
15
16
16
17
18
Изображение Артикул товара Наименование Наличие Единица измерения Количество Цена Корзина
1
922-1117100-02 Установка топливного фильтра Под заказ -
2
Ф80-3407720 Маслопровод Под заказ -
3
922-1117111 Кронштейн Под заказ -
4
1221-1101492 Штуцер Под заказ -
5
920-1101162-02 Трубка Под заказ -
6
Д18-051 Болт Под заказ -
7
М10-6gх65.88.35.019 Болт Под заказ -
8
М8-6gх45.88.35.019 Болт ГОСТ 7796-70 Под заказ -
9
М8-6Н.6.019 Гайка В наличии шт 1 ₽1 ₽
10
М10-6Н.6.019 Гайка Под заказ -
11
С8.01.019 Шайба Под заказ -
12
С10.01.019 Шайба Под заказ -
13
Шайба8Т Шайба 8Т Под заказ -
14
10ОТ Шайба ОСТ 37.001.115-75 Под заказ -
15
2,70666E+12 Фильтр предварительный Под заказ -
16
TORRO12-20/9-C6W Хомут «НОРМА» Под заказ -
17
РМ14 Шайба Под заказ -
18
РМ3/8 Шайба Под заказ -
Содержащиеся в справочниках-каталогах запасные части и детали не предлагаются к продаже, а носят исключительно информационный характер


Наши преимущества