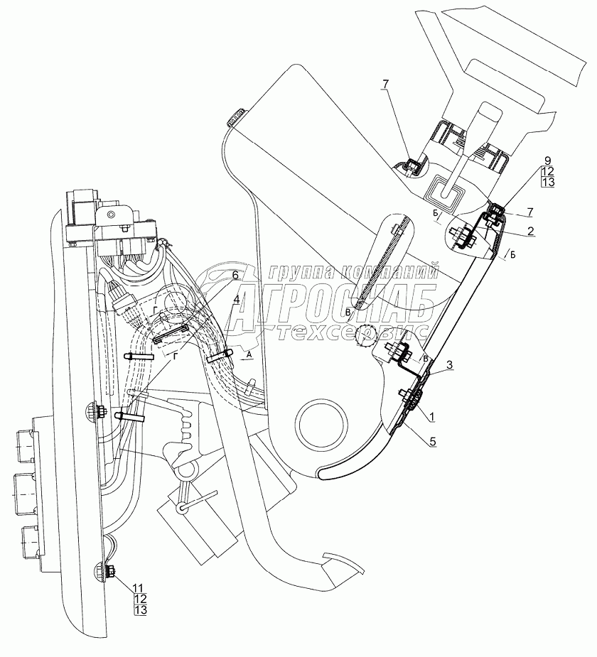
Каталог запасных частей к технике: МТЗ 922.5. Установка щитка приборов

Установка щитка приборов

zoom-in zoom-out enlarge shrink circle-right circle-left file-text2 info cart
1
2
3
4
5
6
7
7
8
9
10
10
11
11
Изображение Артикул товара Наименование Наличие Единица измерения Количество Цена Корзина
1
80-3805065 Винт Под заказ -
2
822-3805080-Б Кронштейн Под заказ -
3
822-3805095 Кронштейн Под заказ -
4
822-3805163 Кожух Под заказ -
5
ПР-43-01 Уплотнитель Под заказ -
6
А30.04.017 Колпачок Под заказ -
7
М6-6gх16.88.35.019 Болт Под заказ -
8
М6-6gх25.88.35.019 Болт ГОСТ 7798-70 Под заказ -
9
М6-6Н.6.019 Гайка Под заказ -
10
С6.01.019 Шайба Под заказ -
11
Шайба6Т Шайба Под заказ -
Содержащиеся в справочниках-каталогах запасные части и детали не предлагаются к продаже, а носят исключительно информационный характер


Наши преимущества