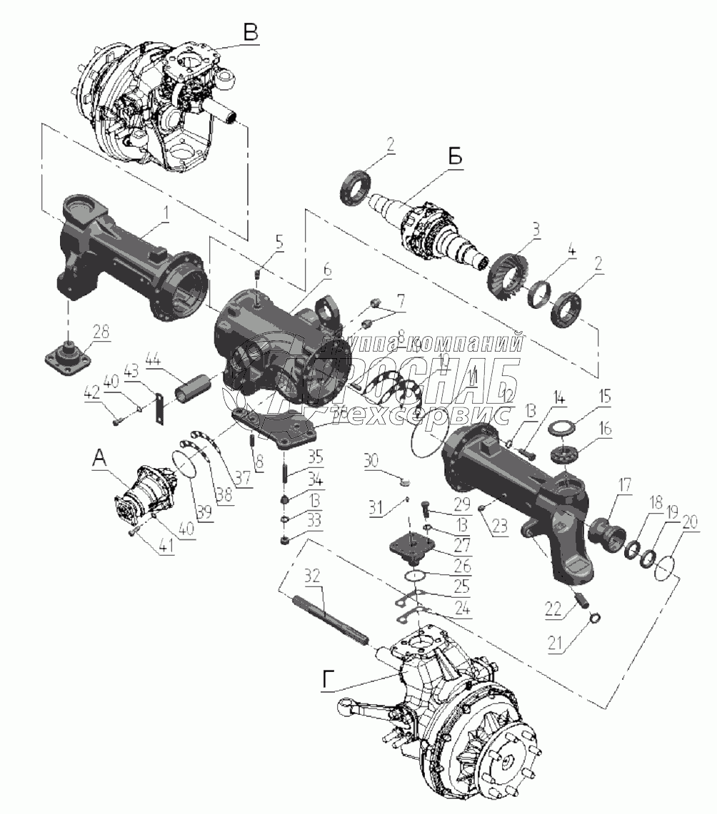
Каталог запасных частей к технике: МТЗ 922.5. Передний ведущий мост 822-2300020

Передний ведущий мост 822-2300020

zoom-in zoom-out enlarge shrink circle-right circle-left file-text2 info cart
3
4
5
6
7
7
8
9
9
10
11
12
13
14
15
15
16
17
18
19
19
20
21
21
21
22
23
24
25
26
27
28
29
30
31
32
33
34
35
36
37
38
39
40
40
41
42
43
44
45
45
46
47
48
49
50
50
51
52
53
54
Изображение Артикул товара Наименование Наличие Единица измерения Количество Цена Корзина
1
822-2300020-02 Передний ведущий мост в сборе Под заказ -
2
822-2300020-04 Передний ведущий мост в сборе Под заказ -
3
52-2302010 Шестерня ведущая в сборе Под заказ -
4
52-2303010-Б-01 Дифференциал Под заказ шт 42 500 ₽42 500 ₽
5
822-2308005 Редуктор левый Под заказ шт 162 500 ₽162 500 ₽
6
822-2308005-01 Редуктор правый Под заказ -
7
822-2301051-01 Рукав Под заказ -
8
822-2301051 Рукав В наличии шт 10 556 ₽10 556 ₽
9
263212А Подшипник Под заказ шт 7 959 ₽7 959 ₽
10
52-2302019 Шестерня ведомая Под заказ шт 4 058 ₽4 058 ₽
11
52-2302038-A1 Гайка Под заказ -
12
TSS0G-1,8dm Сапун Под заказ -
13
72-2301055 Корпус Под заказ шт 14 065 ₽14 065 ₽
14
ПККГ3,4dm Пробка Под заказ -
15
Д01-015 Штифт установочный Под заказ шт 42 ₽42 ₽
16
52-2303027 Прокладка регулировочная В = 0,5 мм (подбираются при регулировке подшипников) Под заказ -
17
52-2303028 Прокладка регулировочная В = 0,2 мм (подбираются при регулировке подшипников) Под заказ -
18
150-155-36-1-4 Кольцо Под заказ -
19
822-2301053-01 Рукав Под заказ -
20
822-2301053 Рукав Под заказ -
21
Шайба16.ОТ Шайба Под заказ -
22
М16-6gх45.88.35.019 Болт Под заказ -
23
1520-2308039 Стакан В наличии шт 202 ₽202 ₽
24
1027307А Подшипник Под заказ -
25
822-2308100 Обойма Под заказ шт 0 ₽
26
1.2-38х58-1 Манжета Под заказ -
27
2.2-38х58-1 Манжета Под заказ -
28
075-080-30-1-4 Кольцо Под заказ -
29
85-3407113 Гайка Под заказ -
30
1520-2308009 Винт Под заказ -
31
ПККГ3,8dm Пробка Под заказ -
32
52-2302021 Прокладка регулировочная В = 0,5 мм Под заказ -
33
52-2302022 Прокладка регулировочная В = 0,2 мм Под заказ -
34
055-063-46-1-4 Кольцо Под заказ -
35
1520-2308037 Ось Под заказ шт 3 660 ₽3 660 ₽
36
1520-2308037-01 Ось Под заказ шт 3 310 ₽3 310 ₽
37
М16-6gх40.88.35.019 Болт Под заказ -
38
85-4607447 Колпачок Под заказ -
39
1.3.Ц9.хр Масленка Под заказ -
40
822-2308065-01 Вал Под заказ шт 2 160 ₽2 160 ₽
41
822-2308065 Вал Под заказ -
42
М16-6Н.6.019 Гайка Под заказ -
43
1520-2308077 Втулка Под заказ -
44
1520-2308079 Шпилька Под заказ -
45
922-2301023-Б-01 Кронштейн цилиндра Под заказ -
46
822-2301023-Б-01 Кронштейн Под заказ -
47
1520-2308042 Прокладка регулировочная Под заказ -
48
1520-2308042-01 Прокладка регулировочная Под заказ -
49
089-095-36-1-4 Кольцо Под заказ шт 160 ₽160 ₽
50
Шайба12.ОТ Шайба Под заказ -
51
М12-6gх30.88.35.019 Болт Под заказ -
52
М12-6gх25.88.35.019 Болт ГОСТ 7796-70 Под заказ -
53
72-2301059-A1 Планка Под заказ -
54
52-2301058-A4 Ось Под заказ -
Содержащиеся в справочниках-каталогах запасные части и детали не предлагаются к продаже, а носят исключительно информационный характер


Наши преимущества