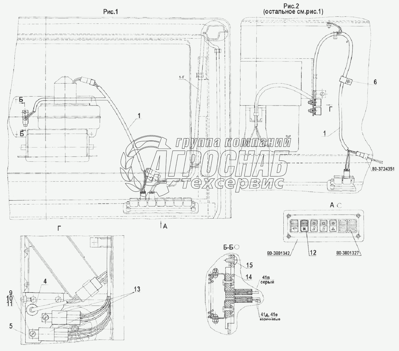
Каталог запасных частей к технике: МТЗ 892. Электрооборудование отопителя

Электрооборудование отопителя

zoom-in zoom-out enlarge shrink circle-right circle-left file-text2 info cart
3
4
5
6
6
7
8
9
10
11
12
Изображение Артикул товара Наименование Наличие Единица измерения Количество Цена Корзина
1
80-3700090-Ж Электрооборудование отопителя Под заказ -
2
80-3700090-Ж-01 Электрооборудование отопителя Под заказ -
3
80-3801327 Заглушка Под заказ -
4
80-3801342 Щиток Под заказ -
5
80-3724353-Г Жгут Под заказ -
6
80-3724354 Жгут Под заказ -
7
70-3723042-01 Втулка Под заказ -
8
80-3747016 Кронштейн Под заказ -
9
1321-8700029 Хомут Под заказ -
10
В.М6-6gх12.58.019 Винт Под заказ -
11
М6-6Н.6.019 Гайка Под заказ -
12
Шайба6Т Шайба Под заказ -
Содержащиеся в справочниках-каталогах запасные части и детали не предлагаются к продаже, а носят исключительно информационный характер


Наши преимущества