| № | Изображение | Артикул товара | Наименование | Наличие | Единица измерения | Количество | Цена | Корзина | |
|---|---|---|---|---|---|---|---|---|---|
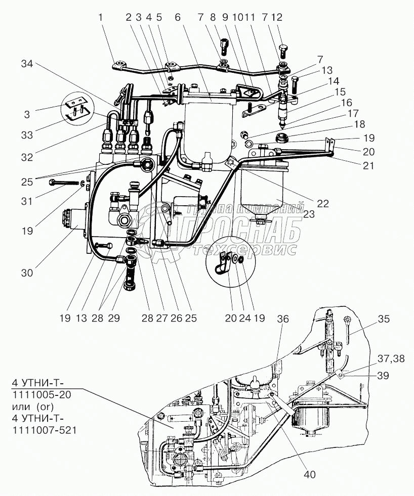
| 1 | 4УТНМ-Т-1111005-20 | Насос топливный | Под заказ | - | |||||
| 2 | 240-1104320-А2-02 | Топливопровод | Под заказ | - | |||||
| 3 | 240-1111115-А | Кронштейн | Под заказ | - | |||||
| 4 | 240-1111106-01 | Колодка | Под заказ | - | |||||
| 5 | ШП6 | Шайба | Под заказ | - | |||||
| 6 | М6 | Гайка | Под заказ | - | |||||
| 7 | 240-1117010-А | Фильтр тонкой очистки | Под заказ | - | |||||
| 8 | 36-1104788-01 | Прокладка | Под заказ | - | |||||
| 9 | 240-1111112-01 | Штуцер | Под заказ | - | |||||
| 10 | 240-1111114 | Колодка | Под заказ | - | |||||
| 11 | 240-1104300-03 | Трубка третья | Под заказ | - | |||||
| 12 | 240-1104300-04 | Трубка четвертая | Под заказ | - | |||||
| 13 | 36-1104787 | Болт | Под заказ | - | |||||
| 14 | М10x35 | Болт | Под заказ | - | |||||
| 15 | 240-1111125-А1 | Кронштейн | Под заказ | - | |||||
| 16 | 171.1112010-01 | Форсунка | Под заказ | - | |||||
| 17 | 17.1112010-01 | Форсунка | Под заказ | - | |||||
| 18 | 245-1111020 | Прокладка-экран | Под заказ | шт | 53 ₽53 ₽ | ||||
| 19 | М10x25 | Болт | Под заказ | - | |||||
| 20 | 240-1111036-Б1 | Кольцо | Под заказ | - | |||||
| 21 | ШП10 | Шайба | Под заказ | - | |||||
| 22 | 240-1111101 | Хомутик | Под заказ | - | |||||
| 23 | 240-1104160-01 | Трубка | Под заказ | - | |||||
| 24 | М10x30 | Болт | Под заказ | - | |||||
| 25 | 240-1105010 | Фильтр топливный грубой очистки | Под заказ | шт | 1 950 ₽1 950 ₽ | ||||
| 26 | ШЧ10 | Шайба | Под заказ | - | |||||
| 27 | 240-1104160-03 | Трубка | Под заказ | - | |||||
| 28 | 240-1104119-01 | Гайка | Под заказ | - | |||||
| 29 | 240-1104118-01 | Угольник | Под заказ | - | |||||
| 30 | Д18-055-А-01 | Кольцо | Под заказ | - | |||||
| 31 | 240-1111103-А | Болт | Под заказ | - | |||||
| 32 | 240-1104300-01 | Трубка первая | В наличии | шт | 174 ₽174 ₽ | ||||
| 33 | 240-1111105 | Колодка | Под заказ | - | |||||
| 34 | 240-1104300-02 | Трубка вторая | Под заказ | шт | 118 ₽118 ₽ | ||||
| 35 | 245-1104330 | Трубка пневмокорректора | Под заказ | - | |||||
| 36 | 245-1117062 | Шпилька | Под заказ | - | |||||
| 37 | 8.65Г.06 | Шайба | Под заказ | - | |||||
| 38 | 245-1111104 | Хомутик | Под заказ | - | |||||
| 39 | 245-1117061 | Кронштейн | Под заказ | - |