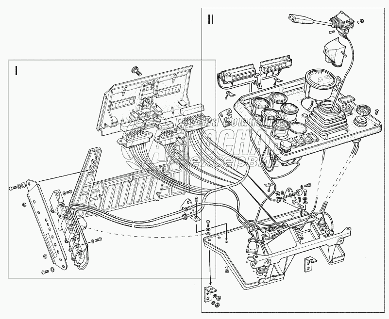
Каталог запасных частей к технике: МТЗ 800/900. Щиток приборов

Щиток приборов

zoom-in zoom-out enlarge shrink circle-right circle-left file-text2 info cart
1
2
3
1
2
3
Изображение Артикул товара Наименование Наличие Единица измерения Количество Цена Корзина
1
3805 Основание Под заказ -
2
3805 Основание Под заказ -
3
3805 Основание Под заказ -
Содержащиеся в справочниках-каталогах запасные части и детали не предлагаются к продаже, а носят исключительно информационный характер


Наши преимущества