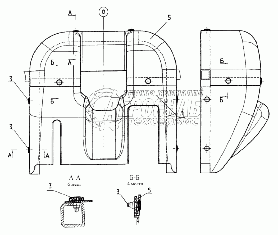
Каталог запасных частей к технике: МТЗ 3022ДЦ.1. Облицовка

Облицовка

zoom-in zoom-out enlarge shrink circle-right circle-left file-text2 info cart
1
2
2
2
2
3
3
Изображение Артикул товара Наименование Наличие Единица измерения Количество Цена Корзина
1
2522-6700305-А-01 Панель Под заказ -
2
80-3805065 Винт Под заказ -
3
2522-6700310-А-01 Панель Под заказ -
Содержащиеся в справочниках-каталогах запасные части и детали не предлагаются к продаже, а носят исключительно информационный характер


Наши преимущества