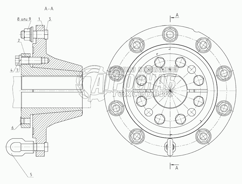
Каталог запасных частей к технике: МТЗ 2122.3/2122.4. Ступица

Ступица

zoom-in zoom-out enlarge shrink circle-right circle-left file-text2 info cart
2
3
4
5
6
7
8
9
9
Изображение Артикул товара Наименование Наличие Единица измерения Количество Цена Корзина
1
1822-3104010 Ступица Под заказ -
2
1822-3104011 Корпус ступицы Под заказ -
3
1822-3104012 Вкладыш Под заказ -
4
2522-3104012 Вкладыш Под заказ -
5
70-4605036 Болт Под заказ -
6
70-3104019-02 Гайка специальная Под заказ -
7
80-3405038-03 Пробка Под заказ -
8
Шайба20.ОТ Шайба Под заказ -
9
3107.03 Гайка крепления колеса Под заказ -
Содержащиеся в справочниках-каталогах запасные части и детали не предлагаются к продаже, а носят исключительно информационный характер


Наши преимущества