| № | Изображение | Артикул товара | Наименование | Наличие | Единица измерения | Количество | Цена | Корзина | |
|---|---|---|---|---|---|---|---|---|---|
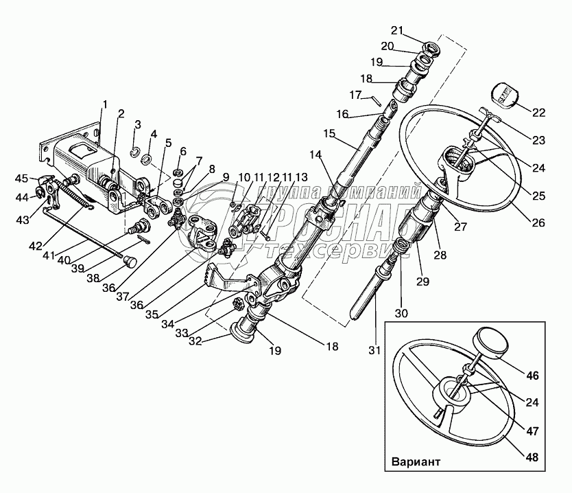
| 1 | 85-3401000-А-02 | Колонка рулевая | Под заказ | - | |||||
| 2 | 85-3401150 | Кардан для ОSРВ-100 в сборе | В наличии | шт | 1 445 ₽1 445 ₽ | ||||
| 3 | 85-3401120 | Кронштейн | Под заказ | - | |||||
| 4 | 85-3401016 | Втулка | Под заказ | шт | 10 ₽10 ₽ | ||||
| 5 | КольцоС20 | Кольцо С20 | Под заказ | - | |||||
| 6 | 80-3401019 | Шайба | Под заказ | - | |||||
| 7 | 85-3401156-Б | Вилка (ОSРВ-100) | Под заказ | - | |||||
| 8 | КольцоС19 | Кольцо | Под заказ | - | |||||
| 9 | 904700УС17 | Подшипник | Под заказ | - | |||||
| 10 | 50-3401064 | Сальник | Под заказ | - | |||||
| 11 | 50-3401063 | Обойма | Под заказ | - | |||||
| 12 | ГайкаМ10-6Н.6.019 | Гайка | Под заказ | - | |||||
| 13 | 80-3401013 | Шайба | Под заказ | - | |||||
| 14 | 50-3401061-A | Вилка | Под заказ | - | |||||
| 15 | БолтМ10-6gx35.88.35.019 | Болт М10-6gx35.88.35.019 | Под заказ | - | |||||
| 16 | СШ-510 | Шпонка | Под заказ | - | |||||
| 17 | 70-3401055 | Вал промежуточный | Под заказ | шт | 500 ₽500 ₽ | ||||
| 18 | 70-3401050-Б | Вал со штифтом и хвостовиком в сборе | Под заказ | - | |||||
| 19 | 70-3401054-Б | Хвостовик вала | Под заказ | - | |||||
| 20 | ШЦК8х36 | Штифт | Под заказ | - | |||||
| 21 | 70-3401077-Б | Амортизатор | Под заказ | - | |||||
| 22 | 70-3401076 | Втулка | Под заказ | шт | 27 ₽27 ₽ | ||||
| 23 | 70-3401078 | Гайка | Под заказ | - | |||||
| 24 | 70-3401079 | Контргайка | Под заказ | - | |||||
| 25 | 80-3401082 | Крышка головки | Под заказ | - | |||||
| 26 | 80-3401140 | Зажим | Под заказ | - | |||||
| 27 | ГайкаМ16х1,5-6Н.6.019 | Гайка М16х1,5-6Н.6.019 | Под заказ | - | |||||
| 28 | 50-3401091 | Шайба | Под заказ | - | |||||
| 29 | 80-3402015 | Колесо | Под заказ | - | |||||
| 30 | 80-3709025 | Втулка | Под заказ | - | |||||
| 31 | 80-3709026-Б | Втулка | Под заказ | - | |||||
| 32 | 80-3709024 | Чехол | Под заказ | - | |||||
| 33 | 50-4608057 | Пружина | Под заказ | - | |||||
| 34 | 85-3401175 | Вал | Под заказ | - | |||||
| 35 | 600-3401012 | Шайба | Под заказ | - | |||||
| 36 | 70-3003032 | Гайка | Под заказ | шт | 93 ₽93 ₽ | ||||
| 36 | 70-3003032 | Гайка | Под заказ | шт | 14 ₽14 ₽ | ||||
| 37 | Заклепка8х28.01.019 | Заклепка | Под заказ | - | |||||
| 38 | 600-3401160 | Сектор | Под заказ | - | |||||
| 39 | 50-3401062 | Крестовина | Под заказ | шт | 0 ₽ | ||||
| 40 | 85-3401067 | Вилка | Под заказ | - | |||||
| 41 | 70-3709012-A | Рукоятка | Под заказ | - | |||||
| 42 | Шплинт4х25.019 | Шплинт | Под заказ | - | |||||
| 43 | 85-3401011 | Винт | Под заказ | - | |||||
| 44 | 80-3401001 | Тяга | Под заказ | - | |||||
| 45 | 50-1310158-Б | Пружина | Под заказ | - | |||||
| 46 | Шплинт1,6х12.019 | Шплинт 1,6х12.019 | Под заказ | - | |||||
| 47 | КольцоС18 | Кольцо С18 | Под заказ | - | |||||
| 48 | 85-3401014 | Фиксатор | Под заказ | - | |||||
| 49 | 38RPN-02.00.00/B | Зажим | Под заказ | - | |||||
| 50 | Шайба16.ОТ | Шайба | Под заказ | - | |||||
| 51 | 38RPN-01.00.00 | Рулевое колесо | Под заказ | - |