Каталог запасных частей к технике: MacDon-M100. WALKING BEAM EXTENSIONS

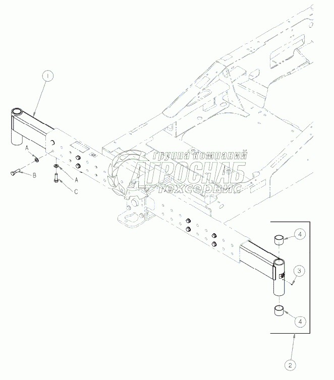
WALKING BEAM EXTENSIONS

zoom-in zoom-out enlarge shrink circle-right circle-left file-text2 info cart
1
2
3
4
4
5
5
6
7
Изображение Артикул товара Наименование Наличие Единица измерения Количество Цена Корзина
1
110145 BEAM - EXTENSION, LH - Incl items 3, 4 Под заказ -
2
110611 BEAM - EXTENSION, RH - Incl items 3, 4 Под заказ -
3
18671 FITTING- LUBE 1/4-28 UNF Под заказ -
4
107201 BUSHING – SLEEVE Под заказ -
5
21540 WASHER - HARDENED Под заказ -
6
135225 BOLT - HEX HEAD 3/4-16 UNF Под заказ -
7
112128 BOLT - HEX HD 750-10UNC Под заказ -
Содержащиеся в справочниках-каталогах запасные части и детали не предлагаются к продаже, а носят исключительно информационный характер


Наши преимущества