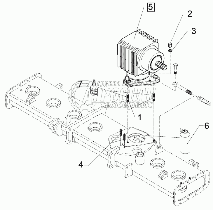
Каталог запасных частей к технике: Lemken Zirkon 10/400K. Miter gear Zirkon 10 K

Miter gear Zirkon 10 K

zoom-in zoom-out enlarge shrink circle-right circle-left file-text2 info cart
1
2
3
4
5
6
7
Изображение Артикул товара Наименование Наличие Единица измерения Количество Цена Корзина
1
301 0683 Stud bolt Под заказ -
2
303 1552 Cap nut Под заказ -
3
305 9876 Washer Под заказ -
4
309 1404 Cylindrical pin Под заказ -
5
555 9532 Miter gear Под заказ -
6
877 1600 Под заказ -
7
886 3000 Loctite 4100 Под заказ -
Содержащиеся в справочниках-каталогах запасные части и детали не предлагаются к продаже, а носят исключительно информационный характер


Наши преимущества