Каталог запасных частей к технике: Lemken VariOpal 8. Stalk bracket Vari-Opal 8 Sech

Stalk bracket Vari-Opal 8 Sech

zoom-in zoom-out enlarge shrink circle-right circle-left file-text2 info cart
1
1
2
3
3
4
5
6
7
8
8
9
10
11
12
13
14
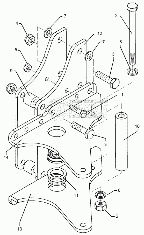
Изображение Артикул товара Наименование Наличие Единица измерения Количество Цена Корзина
1
301 3424 Bolt Под заказ -
2
301 4543 Bolt Под заказ -
3
301 4370 Bolt Под заказ -
4
303 0936 Selflocking nut Под заказ -
5
303 0972 Nut Под заказ -
6
303 0977 Nut Под заказ -
7
305 6164 Washer Под заказ -
8
305 9888 Spring ring Под заказ -
9
317 6944 Tube Под заказ -
10
317 7518 Bushing Под заказ -
11
317 9376 Flange bushing Под заказ -
12
402 2570 Stalk plate Под заказ -
13
402 2670 Adjusting bracket Под заказ -
14
402 2671 Adjusting bracket Под заказ -
Содержащиеся в справочниках-каталогах запасные части и детали не предлагаются к продаже, а носят исключительно информационный характер


Наши преимущества