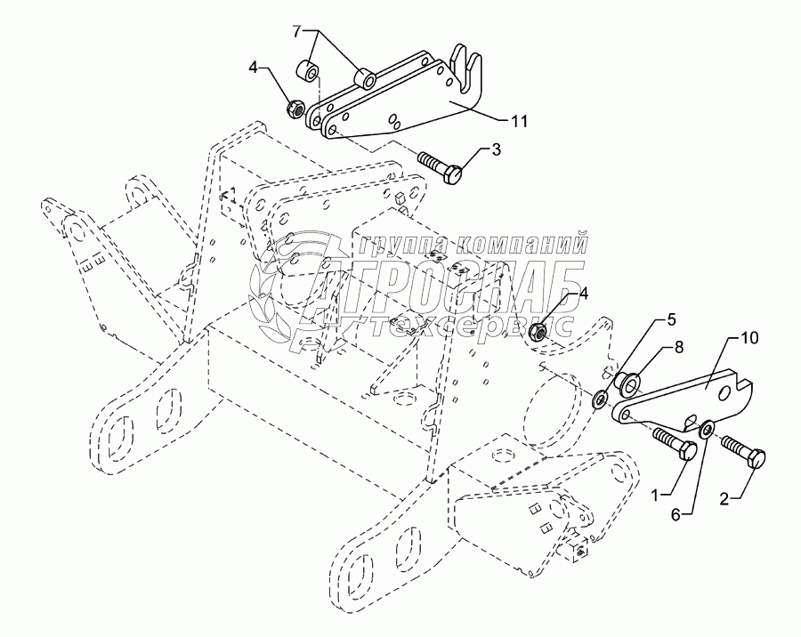
Каталог запасных частей к технике: Lemken Solitair 9/400. Fittings FK Solitair/Zirkon 9

Fittings FK Solitair/Zirkon 9

zoom-in zoom-out enlarge shrink circle-right circle-left file-text2 info cart
1
2
3
3
4
Изображение Артикул товара Наименование Наличие Единица измерения Количество Цена Корзина
1
301 4313 Bolt Под заказ -
2
301 4349 Bolt Под заказ -
3
303 0936 Selflocking nut Под заказ -
4
305 6164 Washer Под заказ -
Содержащиеся в справочниках-каталогах запасные части и детали не предлагаются к продаже, а носят исключительно информационный характер


Наши преимущества