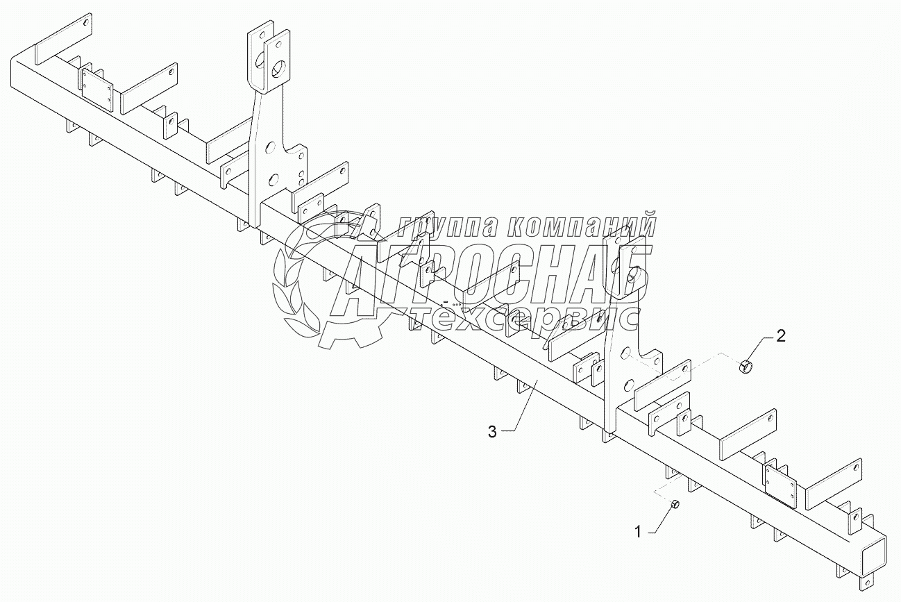
Каталог запасных частей к технике: Lemken Solitair 8/300. 682 8114 Coulter frame

682 8114 Coulter frame

zoom-in zoom-out enlarge shrink circle-right circle-left file-text2 info cart
1
2
Изображение Артикул товара Наименование Наличие Единица измерения Количество Цена Корзина
1
317 3301 Expansion bush Под заказ -
2
482 8114 Coulter frame Под заказ -
Содержащиеся в справочниках-каталогах запасные части и детали не предлагаются к продаже, а носят исключительно информационный характер


Наши преимущества