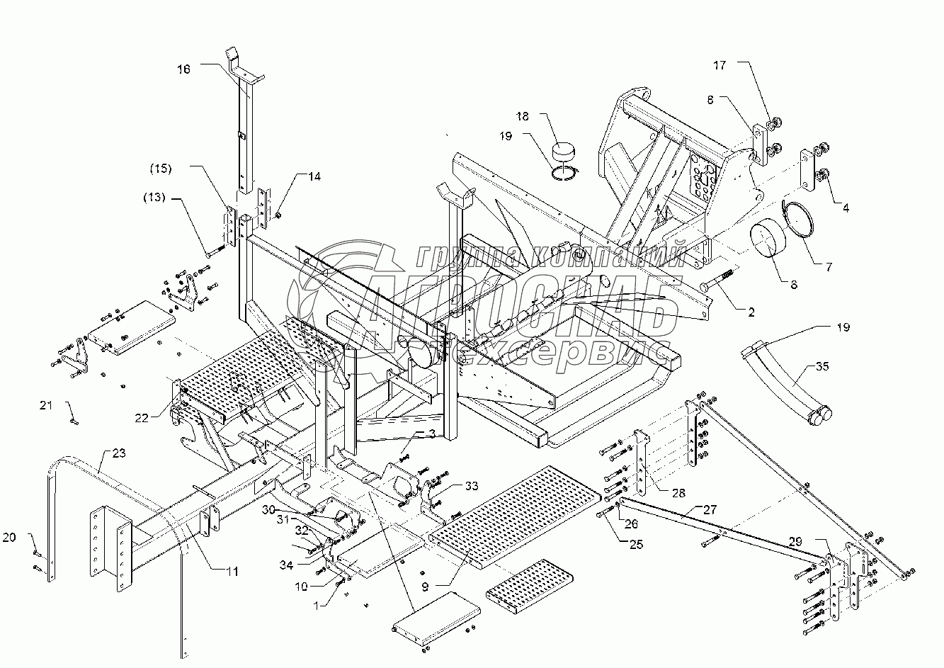
Каталог запасных частей к технике: Lemken Solitair 12/1200KD. 68210333 Basic frame

68210333 Basic frame

zoom-in zoom-out enlarge shrink circle-right circle-left file-text2 info cart
1
2
3
4
5
6
7
Изображение Артикул товара Наименование Наличие Единица измерения Количество Цена Корзина
1
301 7334 Screw Под заказ -
2
303 0934 Selflocking nut Под заказ -
3
323 8074 Cap Под заказ -
4
301 3347 Screw Под заказ -
5
301 5449 Bolt Под заказ -
6
301 4020 Bolt Под заказ -
7
317 7582 Bush Под заказ -
Содержащиеся в справочниках-каталогах запасные части и детали не предлагаются к продаже, а носят исключительно информационный характер


Наши преимущества