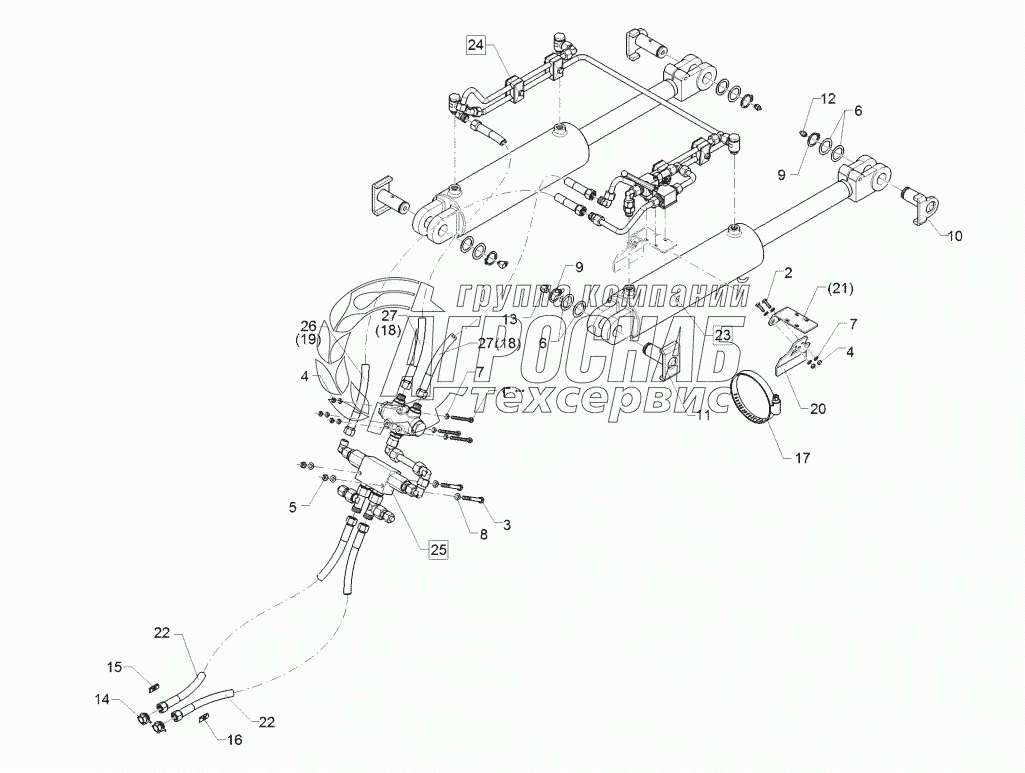
Каталог запасных частей к технике: Lemken Rubin 12/700 KUA. 67510666 HY-assembly lifting

67510666 HY-assembly lifting

zoom-in zoom-out enlarge shrink circle-right circle-left file-text2 info cart
1
2
3
3
4
5
5
6
7
7
8
9
10
11
Изображение Артикул товара Наименование Наличие Единица измерения Количество Цена Корзина
1
301 0312 Flatheaded bolt Под заказ -
2
301 3004 Screw Под заказ -
3
303 0931 Selflocking nut Под заказ -
4
303 0932 Selflocking nut Под заказ -
5
305 8571 Washer Под заказ -
6
305 8694 Washer Под заказ -
7
305 8867 Securing ring Под заказ -
8
313 3003 Pin with stop Под заказ -
9
323 6348 Grease nipple Под заказ -
10
323 6349 Grease nipple Под заказ -
11
475 2598 High-pressure hose Под заказ -
Содержащиеся в справочниках-каталогах запасные части и детали не предлагаются к продаже, а носят исключительно информационный характер


Наши преимущества