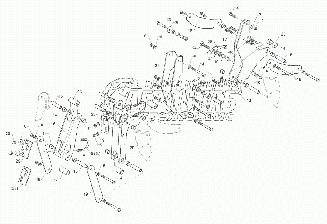
Каталог запасных частей к технике: Lemken Rubin 10/600 KUA. 51210067 Bracket

51210067 Bracket

zoom-in zoom-out enlarge shrink circle-right circle-left file-text2 info cart
1
2
2
2
2
2
3
Изображение Артикул товара Наименование Наличие Единица измерения Количество Цена Корзина
1
301 3409 Bolt Под заказ -
2
303 0934 Selflocking nut Под заказ -
3
305 6978 Washer Под заказ -
Содержащиеся в справочниках-каталогах запасные части и детали не предлагаются к продаже, а носят исключительно информационный характер


Наши преимущества