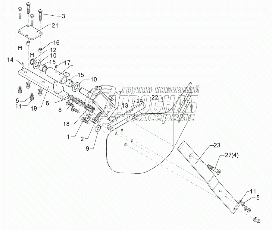
Каталог запасных частей к технике: Lemken Kristall 9/500KA. 65710019 Side shield

65710019 Side shield

zoom-in zoom-out enlarge shrink circle-right circle-left file-text2 info cart
1
2
2
3
4
5
6
6
7
Изображение Артикул товара Наименование Наличие Единица измерения Количество Цена Корзина
1
301 5452 Bolt Под заказ -
2
303 0934 Selflocking nut Под заказ -
3
303 0935 Selflocking nut Под заказ -
4
303 1015 Nut Под заказ -
5
305 8867 Securing ring Под заказ -
6
317 3422 Expansion bush Под заказ -
7
323 6348 Grease nipple Под заказ -
Содержащиеся в справочниках-каталогах запасные части и детали не предлагаются к продаже, а носят исключительно информационный характер


Наши преимущества