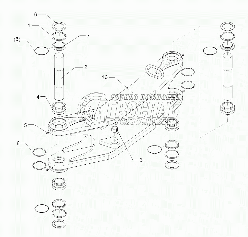
Каталог запасных частей к технике: Lemken Juwel 8M. 63410020 Adjustment centre

63410020 Adjustment centre

zoom-in zoom-out enlarge shrink circle-right circle-left file-text2 info cart
1
2
3
4
4
Изображение Артикул товара Наименование Наличие Единица измерения Количество Цена Корзина
1
305 8942 Securing ring Под заказ -
2
317 3417 Expansion bush Под заказ -
3
323 6348 Grease nipple Под заказ -
4
375 1295 O-ring Под заказ -
Содержащиеся в справочниках-каталогах запасные части и детали не предлагаются к продаже, а носят исключительно информационный характер


Наши преимущества