Каталог запасных частей к технике: Lemken EurOpal 9. HY-turnover+swing-in device D100

HY-turnover+swing-in device D100

zoom-in zoom-out enlarge shrink circle-right circle-left file-text2 info cart
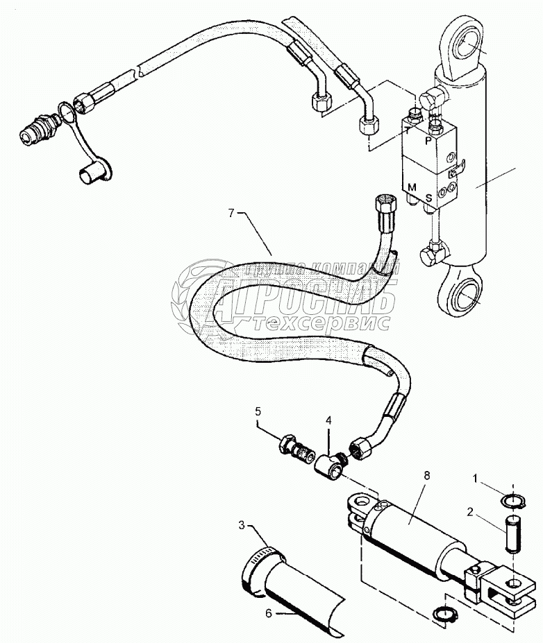
1
2
3
4
5
6
7
8
Изображение Артикул товара Наименование Наличие Единица измерения Количество Цена Корзина
1
305 8867 Securing ring Под заказ -
2
313 7802 Pin Под заказ -
3
325 1185 Hose clip Под заказ -
4
375 4310 Union, swivel Под заказ -
5
375 5510 Banjo bolt Под заказ -
6
470 5004 Guard Под заказ -
7
475 2782 Hose-assembly Под заказ -
8
575 2418 Swing-in ram Под заказ -
Содержащиеся в справочниках-каталогах запасные части и детали не предлагаются к продаже, а носят исключительно информационный характер


Наши преимущества