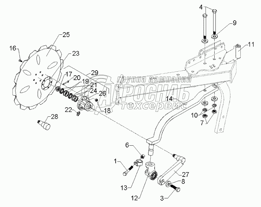
Каталог запасных частей к технике: Lemken EuroGranat 7. Disc coulter EG7 D590-Z

Disc coulter EG7 D590-Z

zoom-in zoom-out enlarge shrink circle-right circle-left file-text2 info cart
1
3
4
5
6
7
8
9
10
11
12
13
14
15
16
17
18
19
20
21
22
23
24
25
Изображение Артикул товара Наименование Наличие Единица измерения Количество Цена Корзина
1
301 3867 Bolt Под заказ -
2
447 8882 Hub Под заказ -
3
301 4269 Screw Под заказ -
4
301 4540 Bolt Под заказ -
5
303 0976 Nut Под заказ -
6
303 0977 Nut Под заказ -
7
305 6164 Washer Под заказ -
8
305 6268 Washer Под заказ -
9
305 9888 Spring ring Под заказ -
10
317 7510 Tube Под заказ -
11
457 9146 Hirth-type bracket Под заказ -
12
457 9870 Stop Под заказ -
13
301 6123 Countersunk bolt Под заказ -
14
303 0193 Castle nut Под заказ -
15
303 0933 Selflocking nut Под заказ -
16
305 8924 Securing ring Под заказ -
17
311 7613 Peg Под заказ -
18
319 9116 Bearing Под заказ -
19
323 6345 Grease nipple Под заказ -
20
323 7641 Seal Под заказ -
21
323 8032 Oil seal Под заказ -
22
349 0050 Disc Под заказ -
23
457 9328 Swinging arm Под заказ -
24
215 1667 Axle Под заказ -
25
547 8883 Bearing Под заказ -
Содержащиеся в справочниках-каталогах запасные части и детали не предлагаются к продаже, а носят исключительно информационный характер


Наши преимущества