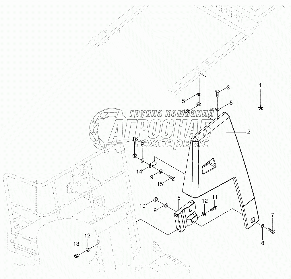
Каталог запасных частей к технике: KRONE BIG-X-V8/BIG-X-V12. Lateral guard

Lateral guard

zoom-in zoom-out enlarge shrink circle-right circle-left file-text2 info cart
1
2
3
4
4
5
6
7
8
8
8
9
10
11
11
12
12
13
14
15
Изображение Артикул товара Наименование Наличие Единица измерения Количество Цена Корзина
1
009403750 Repairing set for plastics- beige Под заказ -
2
002168150 Lateral guard-left front Под заказ -
3
009052531 Coach bolt Под заказ -
4
009402870 Washer Под заказ -
5
003601340 Support Под заказ -
6
009006160 Hex head bolt Под заказ -
7
009099081 Detent edged washer Под заказ -
8
009106030 Washer Под заказ -
9
009082100 Hex nut Под заказ -
10
009006360 Hex head bolt Под заказ -
11
009104140 Washer Под заказ -
12
009087580 Locknut Под заказ -
13
002254461 Support Под заказ -
14
009006140 Hex head bolt Под заказ -
15
009087060 Locknut Под заказ -
Содержащиеся в справочниках-каталогах запасные части и детали не предлагаются к продаже, а носят исключительно информационный характер


Наши преимущества