Каталог запасных частей к технике: KRONE BIG-X-800. Wiring loom-hydraulic pumps

Wiring loom-hydraulic pumps

zoom-in zoom-out enlarge shrink circle-right circle-left file-text2 info cart
1
2
2
3
4
4
5
5
5
5
5
5
5
5
6
7
8
9
10
11
12
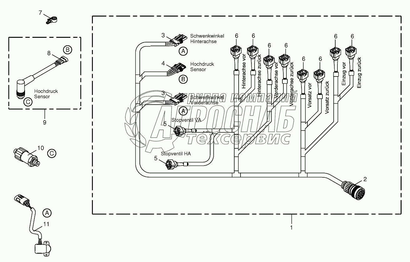
Изображение Артикул товара Наименование Наличие Единица измерения Количество Цена Корзина
1
003024310 Plug-31-pole Под заказ -
2
003031310 Plug-3-pole Под заказ -
3
003023530 Plug-4-pole Под заказ -
4
200803320 Jet-plug-2-pole Под заказ -
5
003031140 Jet-plug-2-pole Под заказ -
6
009240710 Screwless corrugatend tube Под заказ -
7
009240700 Screwless corrugatend tube Под заказ -
8
009240690 Screwless corrugatend tube Под заказ -
9
003023540 Coupling socket-4-pole Под заказ -
10
003031721 Adapter wire-4-pole Под заказ -
11
003024731 Pressure sensor Под заказ -
12
200804340 Potentiometer locking disc Под заказ -
Содержащиеся в справочниках-каталогах запасные части и детали не предлагаются к продаже, а носят исключительно информационный характер


Наши преимущества