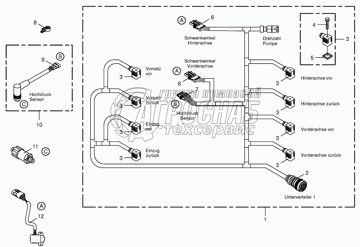
Каталог запасных частей к технике: KRONE BIG-X-650. Wiring loom-hydraulic pumps

Wiring loom-hydraulic pumps

zoom-in zoom-out enlarge shrink circle-right circle-left file-text2 info cart
1
2
3
3
3
3
3
3
3
3
3
4
5
6
6
7
8
9
10
11
12
13
Изображение Артикул товара Наименование Наличие Единица измерения Количество Цена Корзина
1
003031566 Wiring harness-hydraulic pumps Под заказ -
2
003024310 Plug-31-pole Под заказ -
3
003023590 Valve plug-black Под заказ -
4
003021820 Screw with straight-line curls Под заказ -
5
003011860 Gasket Под заказ -
6
003031310 Plug-3-pole Под заказ -
7
003023530 Plug-4-pole Под заказ -
8
009240710 Screwless corrugatend tube Под заказ -
9
009240700 Screwless corrugatend tube Под заказ -
10
003023540 Coupling socket-4-pole Под заказ -
11
003031721 Adapter wire-4-pole Под заказ -
12
003024731 Pressure sensor Под заказ -
13
009196791 Potentiometer locking disc Под заказ -
Содержащиеся в справочниках-каталогах запасные части и детали не предлагаются к продаже, а носят исключительно информационный характер


Наши преимущества