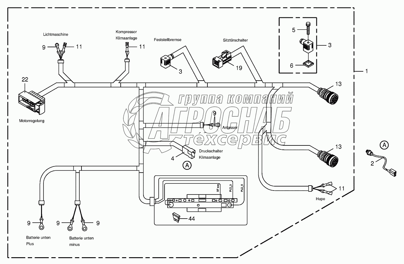
Каталог запасных частей к технике: KRONE BIG-X-650. Wiring loom-cab

Wiring loom-cab

zoom-in zoom-out enlarge shrink circle-right circle-left file-text2 info cart
1
2
3
3
4
5
6
7
8
8
8
8
8
9
10
11
11
11
12
12
13
14
15
Изображение Артикул товара Наименование Наличие Единица измерения Количество Цена Корзина
1
003035226 Wiring harness Под заказ -
2
009401091 Pressure switch Под заказ -
3
003023590 Valve plug-black Под заказ -
4
003050600 Plug-2-pole Под заказ -
5
003021820 Screw with straight-line curls Под заказ -
6
003011860 Gasket Под заказ -
7
003018270 Cable terminal-red Под заказ -
8
009440820 Cable terminal-yellow Под заказ -
9
003031300 Cable terminal-blue Под заказ -
10
003037560 Cable terminal-yellow Под заказ -
11
003026880 Flat sleeve-red Под заказ -
12
003024310 Plug-31-pole Под заказ -
13
003030850 Plug-6-pole Под заказ -
14
003030830 Bushing housing-16-pole Под заказ -
15
003021960 Flat fuse Под заказ -
Содержащиеся в справочниках-каталогах запасные части и детали не предлагаются к продаже, а носят исключительно информационный характер


Наши преимущества