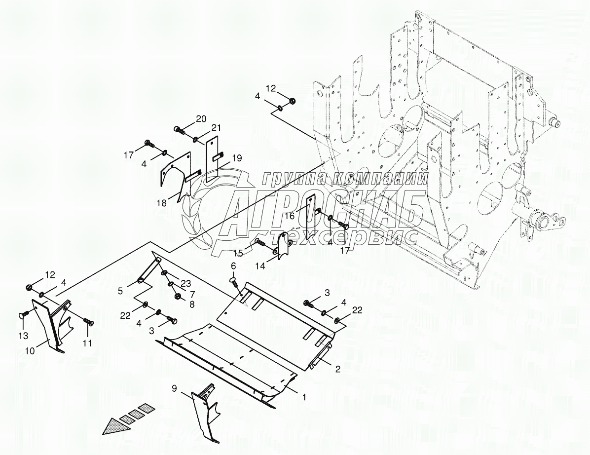
Каталог запасных частей к технике: KRONE BIG-X-600. Grain collecting plate/slotted cover

Grain collecting plate/slotted cover

zoom-in zoom-out enlarge shrink circle-right circle-left file-text2 info cart
1
2
3
3
4
4
4
4
4
4
5
6
7
8
9
10
11
12
12
13
14
15
16
17
17
18
19
20
21
22
22
23
Изображение Артикул товара Наименование Наличие Единица измерения Количество Цена Корзина
1
200261340 Grain collecting plate-front Под заказ -
2
200262150 Grain collecting plate Под заказ -
3
009006340 Hex head bolt Под заказ -
4
009099091 Detent edged washer Под заказ -
5
200262160 Angle Под заказ -
6
009047312 Coach bolt Под заказ -
7
009099081 Detent edged washer Под заказ -
8
009087060 Locknut Под заказ -
9
200261080 Slot cover-below left Под заказ -
10
200261130 Slot cover-below right Под заказ -
11
900003520 Countersunkscrew Под заказ -
12
009087580 Locknut Под заказ -
13
009047451 Coach bolt Под заказ -
14
200261510 Slot cover-left middle Под заказ -
15
009040101 Countersunkscrew Под заказ -
16
200261392 Slot cover-back left Под заказ -
17
009006360 Hex head bolt Под заказ -
18
200261431 Slot cover-right middle Под заказ -
19
200261461 Slot cover-back right Под заказ -
20
009031061 Allen screw Под заказ -
21
009099070 Detent edged washer Под заказ -
22
900001210 Washer Под заказ -
23
900005850 Washer Под заказ -
Содержащиеся в справочниках-каталогах запасные части и детали не предлагаются к продаже, а носят исключительно информационный характер


Наши преимущества