Каталог запасных частей к технике: KRONE BIG-X-600. Diesel engine/maintenance parts

Diesel engine/maintenance parts

zoom-in zoom-out enlarge shrink circle-right circle-left file-text2 info cart
1
2
3
3
4
5
6
6
7
7
8
Изображение Артикул товара Наименование Наличие Единица измерения Количество Цена Корзина
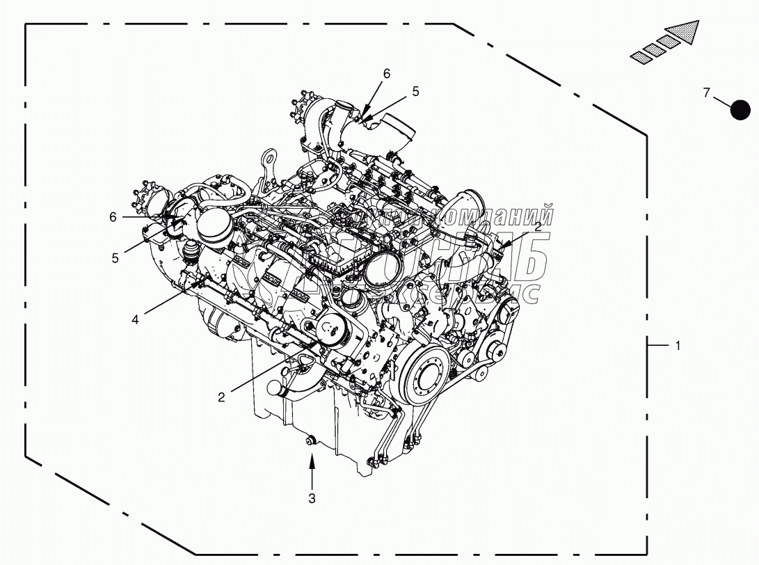
1
270108980 Diesel eng. V8 D2868 570KW УОM 2013 Под заказ -
2
270108990 diesel engine V8 D2868 570KW Bj.2013 USA Под заказ -
3
270048040 Oil filter cartridge Под заказ -
4
270048070 Gasket ring Под заказ -
5
270048080 Valve cover seal Под заказ -
6
270061740 Gasket ring Под заказ -
7
270042060 Tube clamp Под заказ -
8
270066610 MAN SAE 10W-40 Под заказ -
Содержащиеся в справочниках-каталогах запасные части и детали не предлагаются к продаже, а носят исключительно информационный характер


Наши преимущества