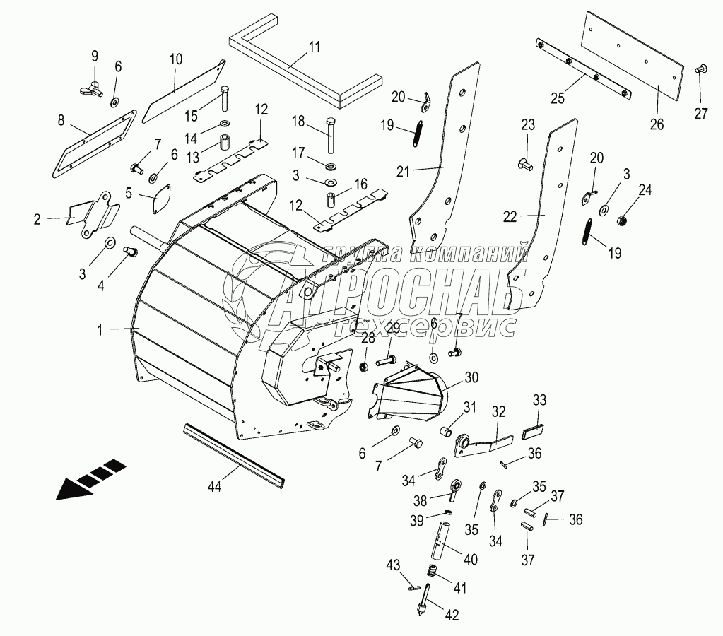
Каталог запасных частей к технике: KRONE BIG-X-530. Discharge accelerator housinge

Discharge accelerator housinge

zoom-in zoom-out enlarge shrink circle-right circle-left file-text2 info cart
1
1
1
2
3
3
3
3
4
4
4
5
6
7
8
9
10
10
11
12
13
14
15
15
16
16
Изображение Артикул товара Наименование Наличие Единица измерения Количество Цена Корзина
1
009099101 Detent edged washer Под заказ -
2
009006560 Hex head bolt Под заказ -
3
009099081 Detent edged washer Под заказ -
4
009006120 Hex head bolt Под заказ -
5
009061320 Winged screw Под заказ -
6
009099121 Detent edged washer Под заказ -
7
009014861 Heх head bolt Под заказ -
8
009105061 Washer Под заказ -
9
009014570 Hex head bolt Под заказ -
10
002702831 Tension spring Под заказ -
11
009087010 Locknut Под заказ -
12
009040453 Countersunkscrew Под заказ -
13
009082100 Hex nut Под заказ -
14
009002010 Hex head bolt Под заказ -
15
009105102 Washer Под заказ -
16
009125842 Roll pin Под заказ -
Содержащиеся в справочниках-каталогах запасные части и детали не предлагаются к продаже, а носят исключительно информационный характер


Наши преимущества