Каталог запасных частей к технике: KRONE BIG-X-500. Discharge flap-end piece

Discharge flap-end piece

zoom-in zoom-out enlarge shrink circle-right circle-left file-text2 info cart
1
2
3
31
4
5
6
7
8
9
10
11
11
11
12
12
12
13
13
13
14
15
16
22
16
22
17
17
17
18
18
18
18
18
18
18
19
20
21
21
16
22
23
24
24
24
25
26
27
28
29
30
30
3
31
32
32
33
34
35
35
36
37
Изображение Артикул товара Наименование Наличие Единица измерения Количество Цена Корзина
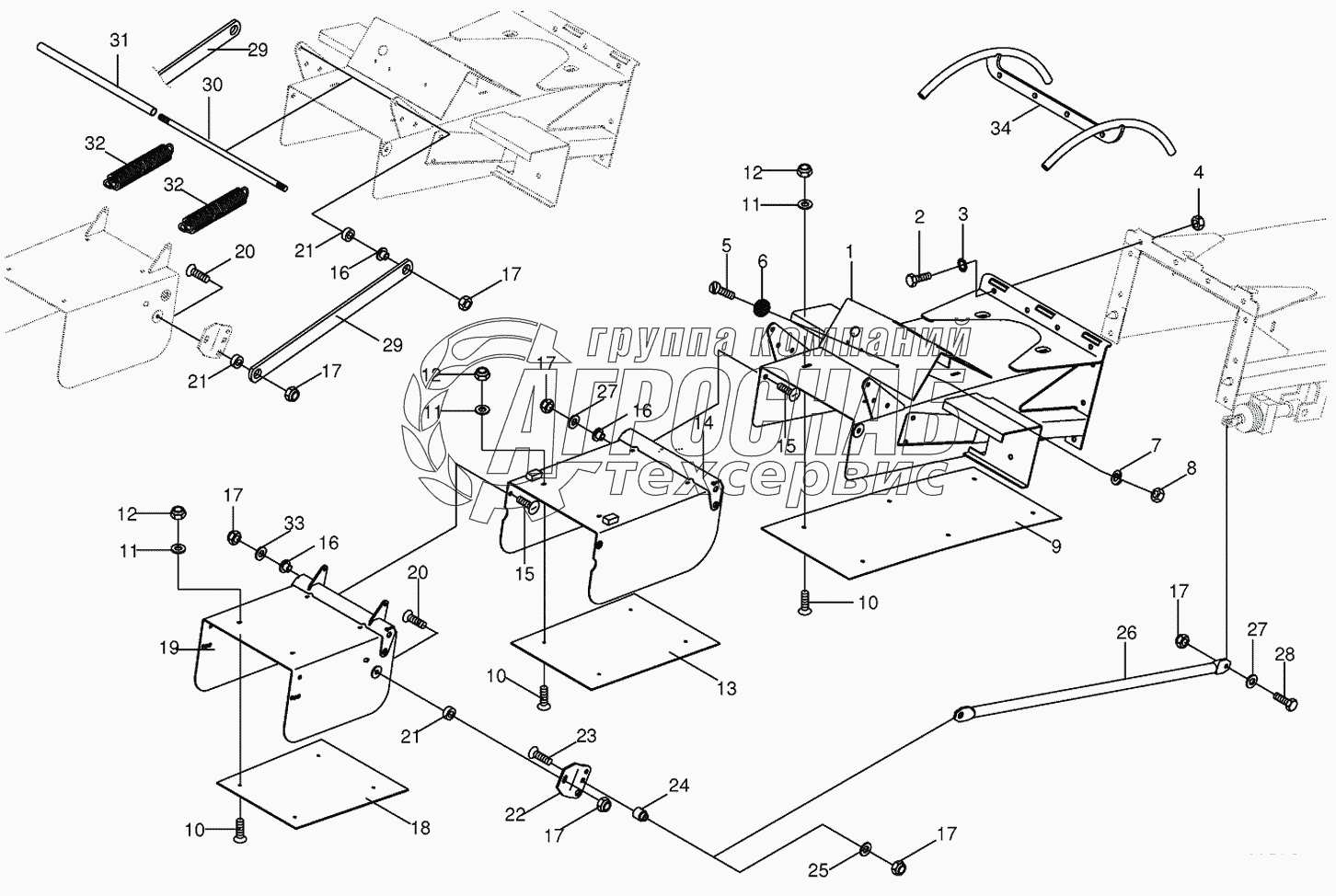
1
002260956 Chute extension Под заказ -
2
009006360 Hex head bolt Под заказ -
3
009006380 Hex head bolt Под заказ -
4
009099091 Detent edged washer Под заказ -
5
009082120 Hex nut Под заказ -
6
009037471 Allen screw Под заказ -
7
009245351 Rear reflector-red Под заказ -
8
009100310 Spring washer Под заказ -
9
009082071 Hex nut Под заказ -
10
002287510 Wearing plate Под заказ -
11
009040051 Countersunkscrew Под заказ -
12
009103511 Washer Под заказ -
13
009087041 Locknut Под заказ -
14
002158660 Wearing plate Под заказ -
15
002158762 Deflector-1 Под заказ -
16
009051542 Coach bolt Под заказ -
17
002225642 Bushing Под заказ -
18
009087580 Locknut Под заказ -
19
002158770 Wearing plate Под заказ -
20
002158321 Deflector-2 Под заказ -
21
009052551 Coach bolt Под заказ -
22
009051542 Coach bolt Под заказ -
23
009047512 Coach bolt Под заказ -
24
002288220 Bushing Под заказ -
25
002225823 Support Под заказ -
26
009047570 Coach bolt Под заказ -
27
002164920 Bushing Под заказ -
28
009103611 Washer Под заказ -
29
002260915 Flap strut Под заказ -
30
009104140 Washer Под заказ -
31
009006380 Hex head bolt Под заказ -
32
002225804 Strut Под заказ -
33
002288210 Threaded rod Под заказ -
34
002260922 Spacer tube Под заказ -
35
002806040 Tension spring Под заказ -
36
009103031 Washer Под заказ -
37
202219210 Cable routing Под заказ -
Содержащиеся в справочниках-каталогах запасные части и детали не предлагаются к продаже, а носят исключительно информационный характер


Наши преимущества