Каталог запасных частей к технике: KRONE BIG-X-500. Pulley for changing directions

Pulley for changing directions

zoom-in zoom-out enlarge shrink circle-right circle-left file-text2 info cart
1
1
2
3
4
5
6
7
7
8
9
10
11
12
13
14
14
15
16
17
18
18
19
20
21
22
23
24
25
26
Изображение Артикул товара Наименование Наличие Единица измерения Количество Цена Корзина
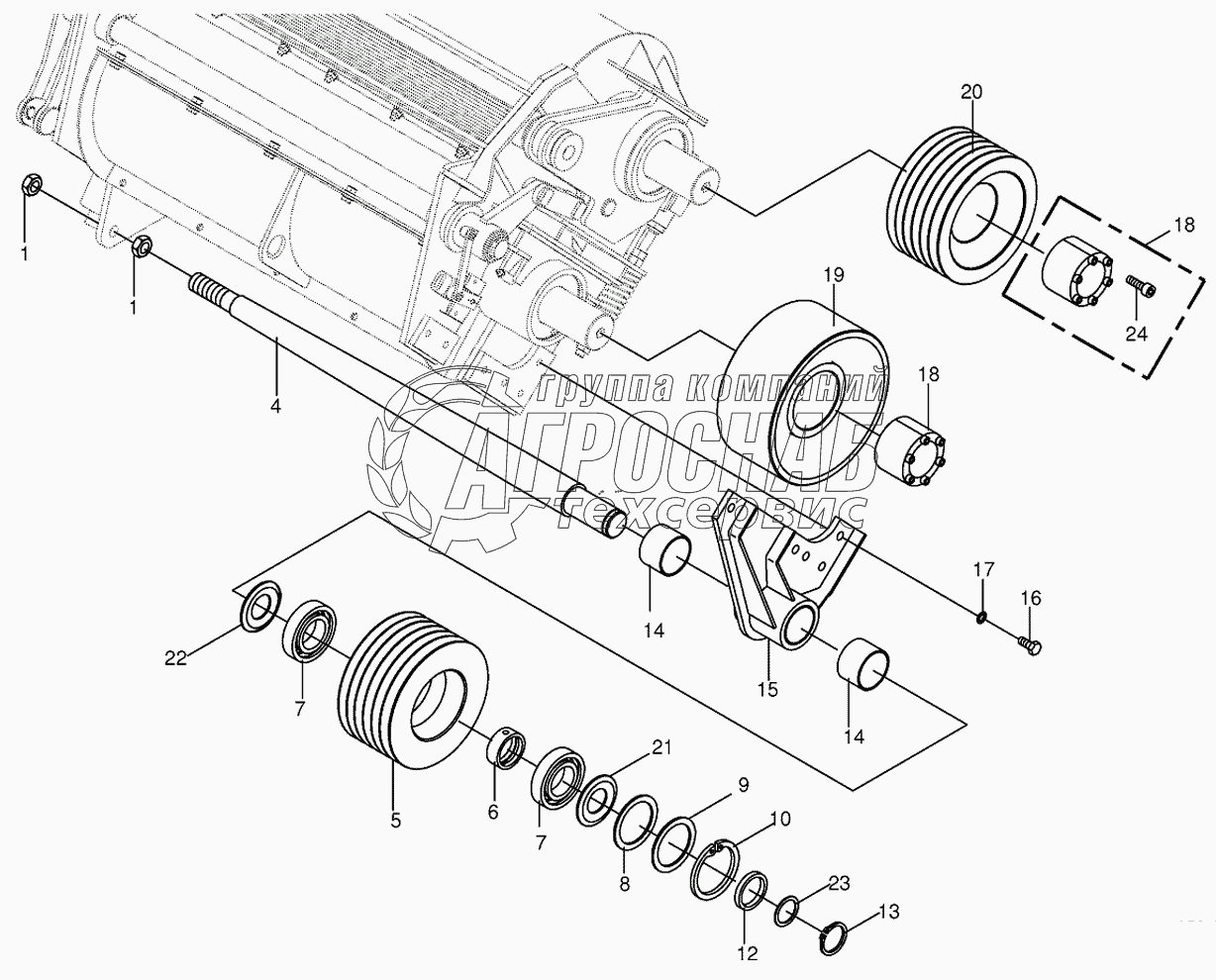
1
009080391 Hex nut Под заказ -
2
002155062 Axle Под заказ -
3
002242314 Deflexion pulley Под заказ -
4
200229391 Deflexion pulley-optional Под заказ -
5
200207690 Deflexion pulley-optional Под заказ -
6
003509633 Intermediate ring Под заказ -
7
900001960 Grooved ball bearing Под заказ -
8
009107470 Supporting disc Под заказ -
9
009109910 Shim ring Под заказ -
10
009109920 Shim ring Под заказ -
11
009116860 Circlip Под заказ -
12
002194380 Spacer bushing Под заказ -
13
009115491 Circlip Под заказ -
14
009353420 Bearing bush Под заказ -
15
003509521 Bearing plate-incl. bushing Под заказ -
16
009006560 Hex head bolt Под заказ -
17
009099101 Detent edged washer Под заказ -
18
009401370 Set of tensioning parts-35 Nm Под заказ -
19
002265332 Deflexion pulley Под заказ -
20
200207680 Deflexion pulley-optional Под заказ -
21
002265322 Pulley Под заказ -
22
200207670 Pulley-optional Под заказ -
23
009370350 Nilos-ring Под заказ -
24
009370340 Nilos-ring Под заказ -
25
009108940 Shim ring Под заказ -
26
009016700 Allen screw Под заказ -
Содержащиеся в справочниках-каталогах запасные части и детали не предлагаются к продаже, а носят исключительно информационный характер


Наши преимущества