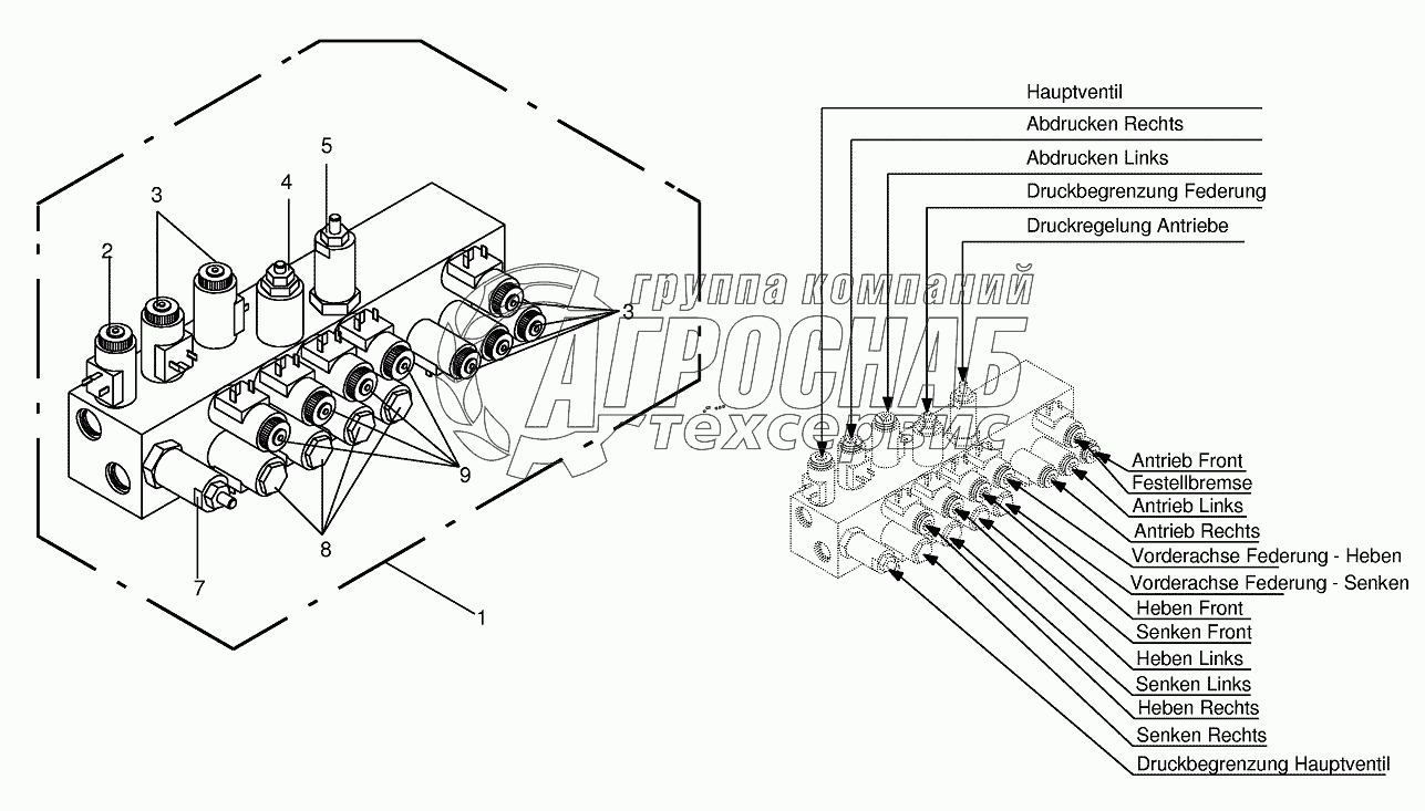
Каталог запасных частей к технике: KRONE BIG-M-II. Working hydraulics-Valve block

Working hydraulics-Valve block

zoom-in zoom-out enlarge shrink circle-right circle-left file-text2 info cart
4
4
Изображение Артикул товара Наименование Наличие Единица измерения Количество Цена Корзина
1
009190700 Solenoid coil Под заказ -
2
009190700 Solenoid coil Под заказ -
3
009190700 Solenoid coil Под заказ -
4
009190290 3/2-Directional-control valve Под заказ -
Содержащиеся в справочниках-каталогах запасные части и детали не предлагаются к продаже, а носят исключительно информационный характер


Наши преимущества