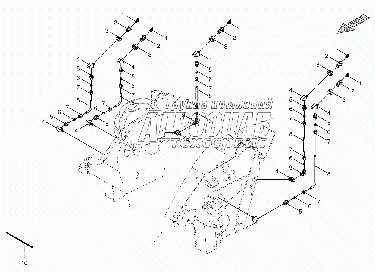
Каталог запасных частей к технике: KRONE BIG-M-II. Lubricating line - front

Lubricating line - front

zoom-in zoom-out enlarge shrink circle-right circle-left file-text2 info cart
1
1
1
1
1
2
2
2
2
2
3
3
3
3
3
4
4
4
4
4
4
4
4
4
4
5
5
5
5
5
5
5
5
5
5
6
6
6
6
6
6
6
6
6
6
7
7
7
7
7
8
8
9
Изображение Артикул товара Наименование Наличие Единица измерения Количество Цена Корзина
1
009191060 Grease niple Под заказ -
2
009385150 Tube union Под заказ -
3
009080191 Hex nut Под заказ -
4
009400970 Screw-in nipple Под заказ -
5
009209160 Cutting ring Под заказ -
6
009209050 Nozzle disc cap Под заказ -
7
009389330 Plastic tube filled with grease-Id.-no.= 1m Под заказ -
8
009209211 Elbow union Под заказ -
9
009226711 Cable band Под заказ -
10
003012190 Spiral strip-Id.-no.= 1m Под заказ -
Содержащиеся в справочниках-каталогах запасные части и детали не предлагаются к продаже, а носят исключительно информационный характер


Наши преимущества